Гидрораспределители секционные типа KS180 160 л/мин, 315 бар
| Параметр | Значение |
| Номинальная пропускная способность | 160 л/мин |
| Рабочее давление (макс.) | 315 бар |
| Обратное давление (макс.) | 25 бар (выходной порт T) |
| Внутренние утечки (макс.) | Δp = 100 бар , 15 см3/мин, (при 40°C) |
| Жидкость | Минеральное масло |
| Температура жидкости (с NBR) | От -20°C до 80°C |
| Температура жидкости (с FPM) | От -20°C до 100°C |
| Вязкость (рабочий диапазон) | От 15 до 75 мм2/с |
| Минимальная вязкость | 12 мм2/с |
| Максимальная вязкость | 400 мм2/с |
| Максимальный уровень загрязнения | ISO 4406: Класс 19/16 |
| Окружающая температура (механические устройства) | От -40°C до 60°C |
| Окружающая температура (пневматические и гидравлические устройства) | От -30°C до 60°C |
| Окружающая температура (электрические устройства) | От -20°C до 50°C |
|
Порты:
| |||||||||||||||
| |||||||||||||||

| Тип | E, мм | F, мм |
| KS180 | 176 | 124 |
| 2KS180 | 224 | 172 |
| 3KS180 | 272 | 220 |
| 4KS180 | 320 | 268 |
| 5KS180 | 368 | 316 |
| 6KS180 | 416 | 364 |
| 7KS180 | 464 | 412 |
| 8KS180 | 512 | 460 |
| 9KS180 | 560 | 508 |
| 10KS180 | 608 | 556 |
| 11KS180 | 656 | 604 |
| 12KS180 | 704 | 652 |
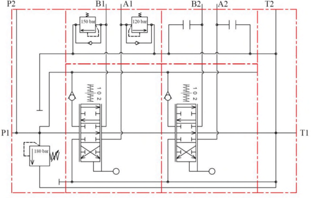
Параллельная схема с открытым центром

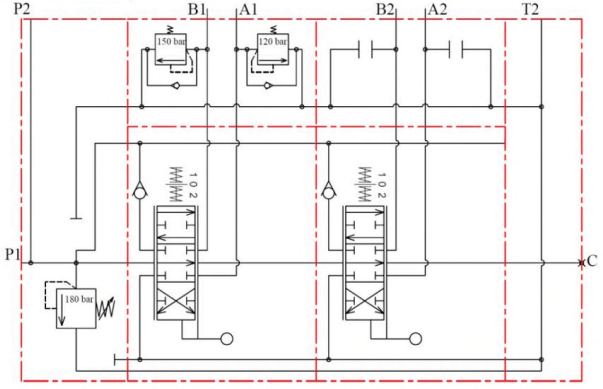
Последовательная схема

Параллельная схема с закрытым центром

График производительности общий

График производительности предохранительного клапана

График производительности дополнительных клапанов






производитель
Badestnost

