Фильты напорные тип DF 420 бар, до 900 л/мин
420 бар, до 900 л/мин
- Фильтр обладает специализированным корпусом, изготовленным из высокопрочных материалов, способных выдерживать значительные давления. Это обеспечивает долгий срок службы и надежную защиту от внешних воздействий.
- Фильтрующий элемент спроектирован с учетом высокого давления, что позволяет ему эффективно задерживать даже мельчайшие частицы и загрязнители, препятствуя их попаданию в гидравлическую систему.
- Фильтр напорный DF является ключевым звеном в обеспечении безотказной и эффективной работы гидравлических систем при интенсивных условиях эксплуатации.
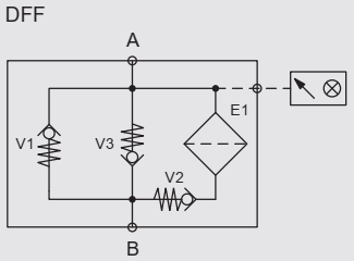
Гидросхема

Технические данные
| Параметры фильтра | |
| Номинальное давление | 420 bar |
| Макс, пропускная способность | 960 l/min |
| Диапазон температур | -30 °С to + 100 °С (-30 °С to -10°С: max. 210 bar) |
| Материал головы фильтра | EN-GJS 400-15, |
| Материал колбы | Сталь |
| Индикатор засоренности | |
| Тип | VD |
| Настройка давления | 5.0 bar (DFF: 8.0 bar) |
| Байпас (опция) | |
| Давление открытия | 6.0 bar |
| Другое | |
| Уплотнение | NBR (= Perbunan) |
| Установка | Как линейный фильтр без реверса потока |
| Опции | •Уплотнения FKM •Байпас (кроме DFF 1500) •Сливная пробка от DF/DFF 280 |
Если вы хотите купить фильты напорные тип DF , вы можете:
Позвонить:

