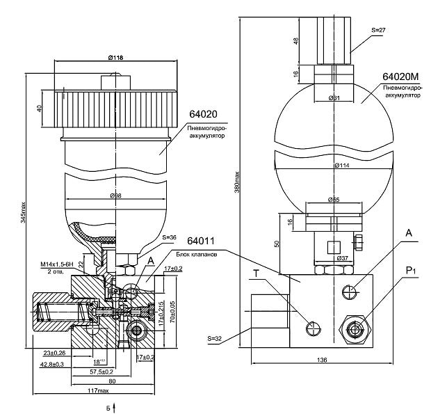
Пневмогидроаккумулятор ПГА 64000А
Пневмогидроаккумулятор с гидроклапанами 64000 А предназначен для питания от гидролинии высокого давления систем дистанционного управления золотниками гидрораспределителей в гидросистемах строительных, дорожных и коммунальных машин (например ТО-18, ТО-18А, ТО-18, ТО-18Б, ТО-28, ТО-28А, А-332, А-333, А-342).Пневмогидроаккумулятор 64000А состоит из пневмогидроаккумулятора 64020 или 64020M и блока клапанов 64011. Пневмогидроаккумулятор 64020 или 64020 М, блок клапанов 64011 могут поставляться как самостоятельные изделия.
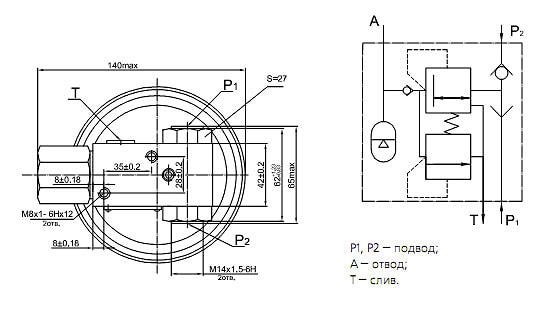
Редуцированное давление на выходе блока обеспечивается встроенным в блок редукционным клапаном.
Предохранительный клапан обеспечивает защиту системы дистанционного управления.
Пневмогидроаккумулятор (заряженный техническим азотом) обеспечивает функционирование системы управления при отключении приводного двигателя.
Уплотнение присоединительных отверстий выполнено по ГОСТ 9833-73 резиновыми кольцами 011-014-19-2-3 по ГОСТ 18829-73.
Технические характеристики:
| Прараметр | Значение |
| Условный проход, мм | 8 |
| Давление на входе, МПа (кгс/см2): • номинальное | 32 (320) |
| • максимальное | 40 (400) |
| • минимальное | 3,0 (30) |
| Давление открытия обратного клапана, МПа (кгс/см2), не более | 0,05 (0,5) |
| Расход рабочей жидкости на выходе, л/мин ( номинальный) | 8 |
| Вместимость номинальная, дм3 • 64020 | |
| • 64020M | |
| Давление «зарядки» газа в баллоне, МПа (кгс/см2) | 0,7+0,05 (7+0,5) |
| Допустимое отношение максимального редуцированного давления рабочей | 5 |
| жидкости к давлению «зарядки» газа | |
| Давление настройки редукционного клапана, МПа (кгс/см2) | |
| • номинальное | 3,0 (30) |
| • максимальное | 3,5 (35) |
| Максимальное превышение давления настройки редукционного клапана | 2,0 (20) |
| при мгновенном возрастании давления, МПа, (кгс/см2) | |
| Давление настройки предохранительного клапана, МПа (кгс/см2) | |
| • максимальное | 5,0 (50) |
| • минимальное | 4,0 (40) |
| Максимальное превышение давления настройки предохранительного | 2,5 (25) |
| клапана при мгновенном возрастании давления, МПа ( кгс/см2) | |
| Масса, кг, не более | 8 |
| Класс чистоты рабочей жидкости по ГОСТ 17216-71, не ниже | 12 |
Размеры ПГА64000А


Если вы хотите купить пневмогидроаккумулятор ПГА 64000А , вы можете:
Позвонить:

