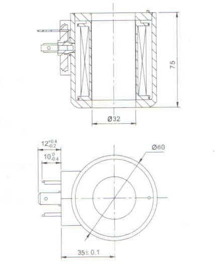
Катушка электромагнитная MFZ10-90YC 65W, ⌀32мм, h=75мм
65W, ⌀32мм, h=75мм
Катушка электромагнитная MFZ10-90YC| Напряжение | AC220V AC110V DC24V | |
| Мощность | AC | 65VA |
| DC | 35W | |
| Степень защиты корпуса | IP65 | |
| Тип соединения | DIN43650A | |

Если вы хотите купить катушка электромагнитная MFZ10-90YC , вы можете:
Позвонить:

