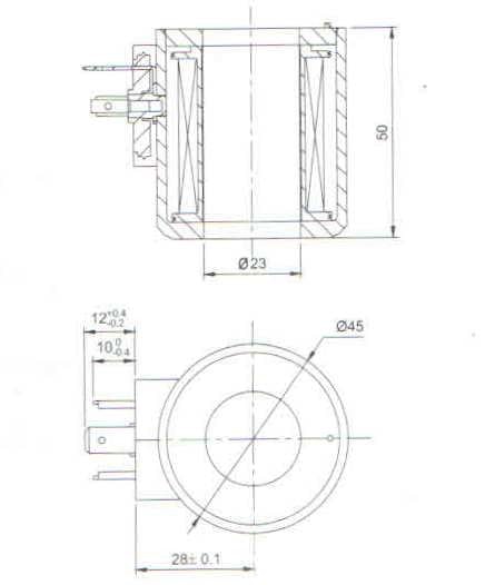
Катушка электромагнитная MFZ10-37YC 35W, ⌀23мм, h=50мм SB506-DC
35W, ⌀23мм, h=50мм
SB506-DC
Катушка электромагнитная MFZ10-37YC (SB506-DC) | Напряжение | AC220V AC110V DC24V DC12V | |
| Мощность | AC | 65VA |
| DC | 35W | |
| Степень защиты корпуса | IP65 | |
| Тип соединения | DIN43650A | |

Если вы хотите купить катушка электромагнитная MFZ10-37YC , вы можете:
Позвонить:

