Гидромоторы шестеренные 2 группа ALM2 250 бар, 4,5 - 37 см3 ЕВРО
250 бар, 4,5 - 37 см3
ЕВРО
Высокоэффективные шестеренные алюминиевые гидромоторы с внешним зацеплением.Доступны с различными типами присоединения (европейский, SAE, немецкий стандарт)
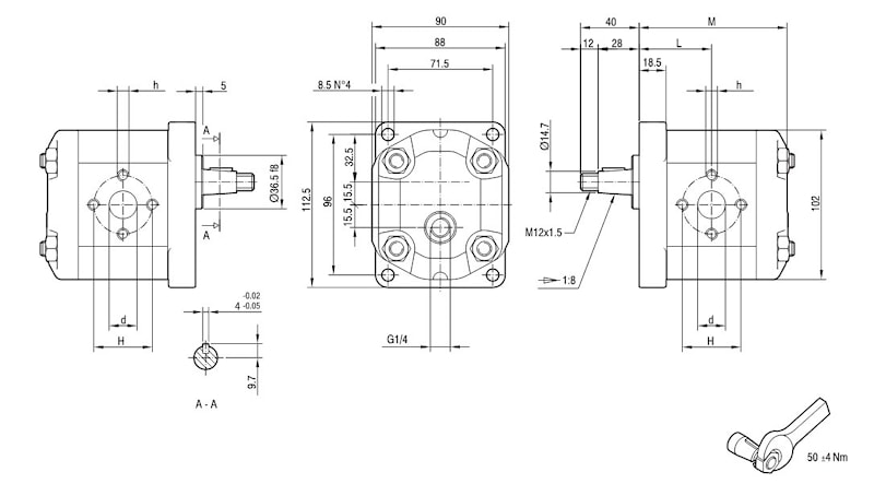
Габаритные размеры:

| ТИП | РАБОЧИЙ ОБЪЁМ | РАСХОД при 1500 об/мин | Максимальное давление, бар | МАКС. СКОРОСТЬ | Размеры, мм | ||||||
| см3 | литр | PI | PC | PP | об/мин | L | M | d | h | H | |
| ALM2-R-6-E1 | 4,5 | 6,4 | 250 | 240 | 270 | 4000 | 45,5 | 93,5 | 1 3 | M6 | 30 |
| ALM2-R-9-E1 | 6,4 | 9,1 | 250 | 240 | 270 | 4000 | 47 | 96,5 | 1 3 | M6 | 30 |
| ALM2-R-10-E1 | 7 | 10 | 250 | 240 | 270 | 4000 | 47,5 | 97,5 | 1 3 | M8 | 40 |
| ALM2-R-12-E1 | 8,3 | 11,8 | 250 | 240 | 270 | 3500 | 48,5 | 99,5 | 1 3 | M8 | 40 |
| ALM2-R-13-E1 | 9,6 | 13,7 | 250 | 240 | 270 | 3000 | 49,5 | 101,5 | 1 3 | M8 | 40 |
| ALM2-R-16-E1 | 11,5 | 16,4 | 230 | 220 | 250 | 4000 | 51 | 104,5 | 19 | M8 | 40 |
| ALM2-R-20-E1 | 14,1 | 20,1 | 230 | 220 | 250 | 4000 | 53 | 108,5 | 19 | M8 | 40 |
| ALM2-R22-E1 | 16,0 | 22,8 | 210 | 200 | 225 | 4000 | 54,5 | 111,5 | 19 | M8 | 40 |
| ALM2-R-25-E1 | 17,9 | 25,5 | 210 | 200 | 225 | 3600 | 56 | 114,5 | 19 | M8 | 40 |
| ALM2-R-30-E1 | 21,1 | 30,1 | 180 | 170 | 195 | 3200 | 58,5 | 119,5 | 19 | M8 | 40 |
| ALM2-R-34-E1 | 23,7 | 33,7 | 180 | 170 | 195 | 3000 | 60,5 | 123,5 | 19 | M8 | 40 |
| ALM2-R-37-E1 | 25,5 | 36,4 | 170 | 160 | 185 | 2800 | 62 | 126,5 | 19 | M8 | 40 |
| ALM2-R-40-E1 | 28,2 | 40,1 | 170 | 160 | 1 85 | 2500 | 64 | 130,5 | 19 | M8 | 40 |
производитель
Marzocchi
Если вы хотите купить гидромоторы шестеренные 2 группа ALM2 , вы можете:
Позвонить:
Ещё из раздела Гидромоторы шестеренные
Шестеренный гидромотор привода вентилятора автобусов MAN, МАЗ
22 см3 реверсивный
160 бар, 0511725021
Шестеренный гидромотор 20A22X021MA применяется в приводе вентилятора системы охлаждения пассажирских автобусов MAN и МАЗ. OEM номер Bosch rexroth 0511725021, 0511725039, AZMF-11-022RCB20PG210XX, R918C03675, 36.06660.6003 MAN, 81.06660.6058 MAN ...

