Гидромоторы шестеренные группа 3 (X568) 22-60 cм3, 500-2500 об/мин
22-60 cм3, 500-2500 об/мин
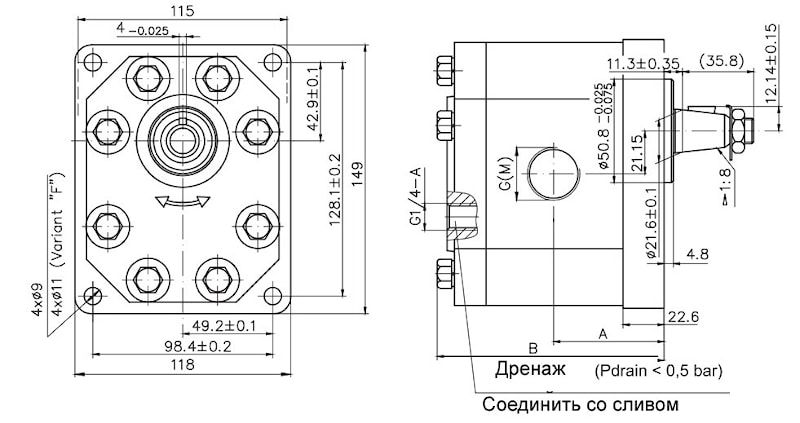
Гидромоторы шестеренные группа 3, моторы типа ALM3
Размеры и технические характеристики:

| Код | Объем | Перепад давления ном. | Макс. скорость вращения | Размеры | |||||
| A | B | Всасывание | Нагнетание | ||||||
| M | G | M | G | ||||||
| cm3 / rev | bar | rpm | mm | mm | mm | " | mm | " | |
| 30MR22,5X568HG(M) | 22,5 | 200 | 500..2500 | 57,6 | 119,7 | M27X1.5 | G3/4-A | M27X1,5 | G3/4-A |
| 30MR25X568HG(M) | 25 | 200 | 500..2500 | 58,3 | 121,1 | M27X1.5 | G3/4-A | M27X1,5 | G3/4-A |
| 30MR28X568HG(M) | 28 | 200 | 500..2500 | 60,2 | 124.7 | M27X1.5 | G3/4-A | M27X1,5 | G3/4-A |
| 30MR32X568HG(M) | 32 | 200 | 500..2500 | 66,5 | 137,3 | M33X1,5 | G1-A | M33X1,5 | G1-A |
| 30MR36X568HG(M) | 36 | 200 | 500..2300 | 68 | 140,5 | M33X1,5 | G1-A | M33X1,5 | G1-A |
| 30MR42X568HG(M) | 42 | 200 | 500..2300 | 70,8 | 146,1 | M33X1.5 | G1-A | M33X1,5 | G1-A |
| 30MR46X568HG(M) | 46 | 200 | 500..2100 | 72,7 | 149,8 | M33X1.5 | G1-A | M33X1,5 | G1-A |
| 30MR50X568HG(M) | 50 | 200 | 500..2100 | 74,5 | 153,4 | M33X1,5 | G1-A | M33X1,5 | G1-A |
| 30MR55X568HG(M) | 55 | 200 | 500.. 1750 | 76,7 | 157,9 | M33X1,5 | G1-A | M33X1,5 | G1-A |
| 30MR60X568HG(M) | 60 | 180 | 500.. 1750 | 78,7 | 162,4 | M33X1,5 | G1-A | M33X1,5 | G1-A |
производитель
Hydropack
Если вы хотите купить гидромоторы шестеренные группа 3 (X568) , вы можете:
Позвонить:
Ещё из раздела Гидромоторы шестеренные
Шестеренный гидромотор привода вентилятора автобусов MAN, МАЗ
22 см3 реверсивный
160 бар, 0511725021
Шестеренный гидромотор 20A22X021MA применяется в приводе вентилятора системы охлаждения пассажирских автобусов MAN и МАЗ. OEM номер Bosch rexroth 0511725021, 0511725039, AZMF-11-022RCB20PG210XX, R918C03675, 36.06660.6003 MAN, 81.06660.6058 MAN ...

