Пневмоклананы редукционные П-КРМ
   Пневмоклапаны редукционные с ручной или пневматической настройкой давления на выходе предназначены для понижения давления сжатого воздуха и поддержания его на заданном уровне в пневматических приводах и системах различного технологического оборудования.Возможные обозначения для заказа П-КРМ-122-16, ПКРМ-122-12, П-КР(М)-112-25 и П-КРМ-211-40
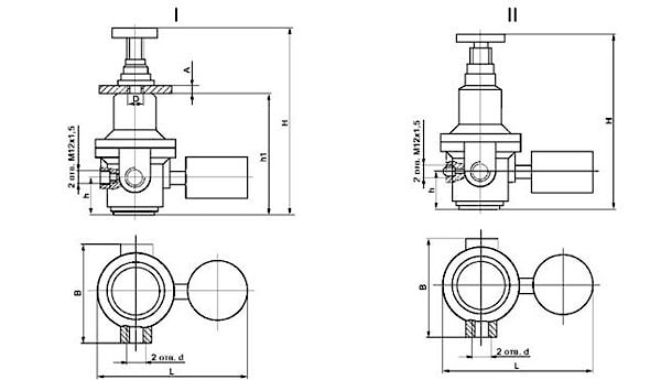
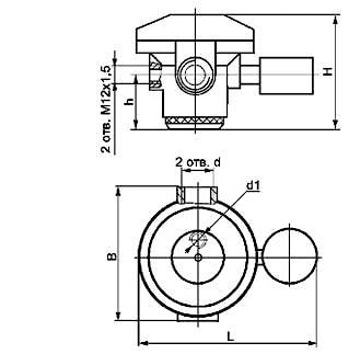
Размеры
Пневмоклапаны редукционные с ручной настройкой давления на выходе и условными проходами 12, 16, 25 мм
I - исполнение для панельного монтажа;
II - исполнение трубного монтажа

Пневмоклапан редукционный с пневматической настройкой давления на выходе типа 211-40

| Исполнение | Присоединительная резьба | В | А | н | h1 | h | L | D | Масса, кг | |||
| Метрическая | Коническаяяя | |||||||||||
| d | d1 | d | dl | не более | ||||||||
| 122-4 | M10x1 | - | К 1/8" | - | 43 | 6 | 76 | 38 | 15 | 130 | 30 | 0,38 | 
| 122-6 | M12x1,5 | - | К 1/4" | - | ||||||||
| 122-12 | M16x1,5 | - | К 3/8" | - | 85 | 8 | 185 | 116 | 35 | 155 | 24 | 1,1 | 
| 122-16 | М22х1,5 | - | К 1/2" | - | ||||||||
| 122-20 | М27х2 | - | К 3/4" | - | 123 | 10 | 250 | 170 | 42 | 205 | 36 | 2,0 | 
| 112-25 | М33х2 | - | К 1" | - | ||||||||
| 211-40 | М48х2 | M10x1 | К 1 1/2" | К 1/8" | 168 | - | 140 | - | 55 | 210 | - | 3,5 | 
производитель
Пневматика
Если вы хотите купить пневмоклананы редукционные П-КРМ  , вы можете:
 Позвонить: 

