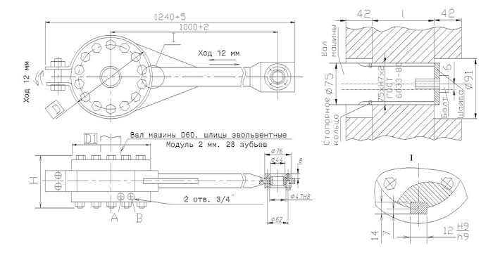
Гидромотор планетарно-роторный- вращатель ГПРФ-M-8000 - 12
Гидромотор планетарно-роторный- вращатель ГПРФ-M-8000 - 12| № | Наименование параметра | Размерность | Значение |
| 1. | Рабочий объем | см3 | 8000 |
| 2. | Перепад давления номинальное максимальное | МПа | 16 21 |
| 3. | Номинальный крутящий момент | Нм | 13000 |
| 4. | Максимальная частота вращения | об/мин | 10 |
| 5. | Максимальный расход жидкости | л/мин | 80 |
| 6. | К.П.Д. гидромеханический | не менее | 0.8 |
| 7. | К.П.Д. общий | не менее | 0.75 |
| 8. | D,mm | mm | 275 |
| 9. | H,mm | mm | 212 |
| 10 | L. mm | mm | 85 |
| 11 | Масса гидромотора | кг | 67 |
| 12 | Масса рычага | кг | 24 |

производитель
HIDROINPEX
Если вы хотите купить гидромотор планетарно-роторный- вращатель ГПРФ-M-8000 - 12 , вы можете:
Позвонить:

