Гидрозамок модульный типа ГЗМ
Гидрозамки модульного исполнения ГЗМ6/3, ГЗМ10/3 используются для сквозного прохода рабочего потока в прямом направлении и запирания в обратном направлении при падении давления в гидросистеме. Обратное движение рабочего потока возможно только после принудительного гидравлического открытия гидрозамка.ГЗМ6/3, ГЗМ10/3 позволяют надежно запирать полости цилиндра как при случайном падении давления в гидросистеме, так и при остановке цилиндра в промежуточном положении.
ГЗМ устанавливаются между гидрораспределителем и монтажной плитой и уплотняются в сборе уплотнительными кольцами круглого сечения, размещенными в цековках корпуса.
Гидрозамки модульные ГЗМ применяются в стационарных и мобильных машинах, гидроприводах прессов, станков, литейных и литьевых машин, мобильной техники и др. гидрофицированного оборудования.
Технические характеристики гидрозамков ГЗМ6/3, ГЗМ10/3 :
| Параметры | ГЗМ-6/ЗМ | ГЗМ 10/3 |
| 1. Диаметр условного прохода, мм | 6 | 10 |
| 2. Давление управления (МПа): - максимальное | 35 | 35 |
| - минимальное | 1.2 | 1.2 |
| 3. Давление на входе, МПа: номинальное, максимальное, минимальное (при Qном) | 32; 35; 0,3 | 32; 35; 0,7 |
| 4. Максимальное давление на выходе (на сливе) | 35 Мпа | 35 Мпа |
| 5. Расход масла, л/мин: номинальный (Qном ) максимальный | 32; 80 | 63; 100 |
| 6. Объем камеры управления, см³ Максимальные внутренние утечки, см³/мин: по поршню в сопряжении клапан-седло | 0,6; 40; 0,5 | 1,2; 150; 0,5 |
| 7. Соотношение рабочих площадей | 1:03 | 1:05 |
| 8. Перепад давлений, МПа, при Qном: на обратном клапане | 0,3; 0,25 | 0,7; 0,45 |
| 9. Масса, кг | 1,1 | 2,2 |
Присоединительные размеры гидрозамка ГЗМ6

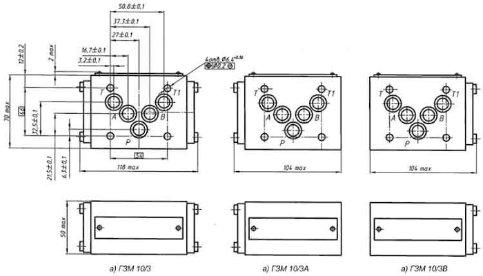
Присоединительные размеры гидрозамка ГЗМ10

производитель
Гидравлик (г. Грязи)
Если вы хотите купить гидрозамок модульный типа ГЗМ , вы можете:
Позвонить:

