Двухступенчатый насос тип DVP
Насос типа DVP состоит из поршневого насоса высокого давления, соединенного с ним напрямую шестеренного насоса низкого давления и блока переключения давления.Особенности
Снабжен системой отсечки обратного потока на всасывании
Имеет многоступенчатый запорный клапан внутри насоса.
Предохранительный клапан
Имеет двойную систему предотвращения перегрузки
Может быть установлен как снаружи так и внутри бака.
Давление поршневого насоса 350-1000 бар
Давление шестеренного насоса 130 бар.
Частота вращения максимальная 2000 об/мин, номинальная 1450 об/мин.
Данные для заказа:
| DVP | — | 01 | — | H700 | — | L130 |
| Давление | ||||||
| шестеренного насоса | ||||||
| Давление поршневого насоса | ||||||
| Тип | ||||||
| Двухступенчатый насос | ||||||
| Тип | Шестеренный насос | Поршневой насос | ||
| Давление, бар | Объем см3/об | Давление, бар | Объем см3/об | |
| 01 | 130 | 1.3 | 350 | 0.9 |
| 130 | 1.3 | 500 | 0.6 | |
| 130 | 1.3 | 700 | 0.45 | |
| 02 | 130 | 2.7 | 350 | 1.6 |
| 130 | 2.7 | 500 | 1.2 | |
| 130 | 2.7 | 700 | 0.9 | |
| 130 | 2.7 | 1000 | 0.45 | |
| 03 | 130 | 4.1 | 350 | 2.5 |
| 130 | 4.1 | 500 | 1.6 | |
| 130 | 4.1 | 700 | 1.2 | |
| 130 | 4.1 | 1000 | 0.9 | |
| 05 | 130 | 6.1 | 350 | 4.25 |
| 130 | 6.1 | 500 | 2.5 | |
| 130 | 6.1 | 700 | 2.0 | |
| 130 | 6.1 | 1000 | 1.2 | |
| 07 | 130 | 9.5 | 350 | 6.1 |
| 130 | 9.5 | 500 | 4.6 | |
| 130 | 9.5 | 700 | 3.0 | |
| 10 | 130 | 14.0 | 350 | 7.2 |
| 130 | 14.0 | 500 | 5.4 | |
| 130 | 14.0 | 700 | 3.6 | |
| 15 | 130 | 20.8 | 350 | 11.3 |
| 130 | 20.8 | 500 | 8.5 | |
| 130 | 20.8 | 700 | 6.1 | |
| 20 | 130 | 27.9 | 500 | 11.3 |
| 130 | 27.9 | 700 | 7.2 | |

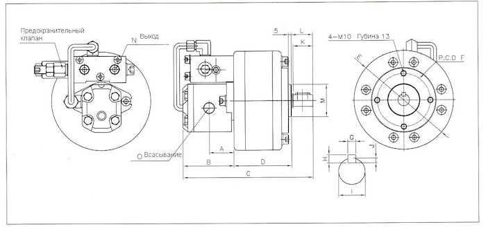
Размеры

| Тип | A | B | O | D | E | F | G | H | J | K | L | M | KEY | 0 | N | ||
| 01 | 350 | 42 | 82 | 215.5 | 97,5 | 170 | 90 | 6 | 6 | 20 | 3,5 | 33 | 36 | 55 | 6x6x23 | PT1/2 | PT3/8 |
| 500 | 42 | 82 | 215.5 | 97.5 | 170 | 90 | 6 | 6 | 20 | 3,5 | 33 | 36 | 55 | 6x6x23 | PT1/2 | PT3/8 | |
| 700 | 42 | 82 | 215.5 | 97.5 | 170 | 90 | 6 | 6 | 20 | 3.5 | 33 | 36 | 55 | 6x6x23 | PT1/2 | PT3/8 | |
| 02 | 350 | 44 | 86 | 219.5 | 97.5 | 170 | 90 | 6 | 6 | 20 | 3.5 | 33 | 36 | 55 | 6x6x23 | PT1/2 | PT3/8 |
| 500 | 44 | 86 | 219.5 | 97.5 | 170 | 90 | 6 | 6 | 20 | 3.5 | 33 | 36 | 55 | 6x6x23 | PT 1/2 | PT3/8 | |
| 700 | 44 | 86 | 219.5 | 97.5 | 170 | 90 | 6 | 6 | 20 | 3.5 | 33 | 36 | 55 | 6x6x23 | PT1/2 | PT3/8 | |
| 1000 | 44 | 86 | 219.5 | 97.5 | 170 | 90 | 6 | 6 | 20 | 3.5 | 33 | 36 | 55 | 6x6x23 | PT1/2 | PT3/8 | |
| 03 | 350 | 46 | 90 | 223.5 | 97.5 | 170 | 90 | 6 | 6 | 20 | 3.5 | 33 | 36 | 55 | 6x6x23 | PT1/2 | PT3/8 |
| 500 | 46 | 90 | 223.5 | 97.5 | 170 | 90 | 6 | 6 | 20 | 3.5 | 33 | 36 | 55 | 6x6x23 | PT1/2 | PT3/8 | |
| 700 | 46 | 90 | 223.5 | 97.5 | 170 | 90 | 6 | 6 | 20 | 3.5 | 33 | 36 | 55 | 6x6x23 | PT1/2 | PT3/8 | |
| 1000 | 46 | 90 | 223.5 | 97,5 | 170 | 90 | 6 | 6 | 20 | 3.5 | 33 | 36 | 55 | 6x6x23 | PT1/2 | PT3/8 | |
| 05 | 350 | 49 | 96 | 229.5 | 97.5 | 170 | 90 | 6 | 6 | 20 | 3.5 | 33 | 36 | 55 | 6x6x23 | PT1/2 | PT3/8 |
| 500 | 49 | 96 | 229,5 | 97.5 | 170 | 90 | 6 | 6 | 20 | 3.5 | 33 | 36 | 55 | 6x6x23 | PT1/2 | PT3/8 | |
| 700 | 49 | 96 | 229.5 | 97.5 | 170 | 90 | 6 | 6 | 20 | 3,5 | 33 | 36 | 55 | 6x6x23 | PT1/2 | PT3/8 | |
| 1000 | 49 | 96 | 229.5 | 97.5 | 170 | 90 | 6 | 6 | 20 | 3,5 | 33 | 36 | 55 | 6x6x23 | PT1/2 | PT3/8 | |
| 07 | 350 | 49,5 | 103 | 293 | 130 | 210 | 130 | 8 | 7 | 25 | 4 | 53 | 60 | 85 | 8x7x35 | PT1/2 | PT3/8 |
| 500 | 49.5 | 103 | 293 | 130 | 210 | 130 | 8 | 7 | 25 | 4 | 53 | 60 | 85 | 8x7x35 | PT1/2 | PT3/8 | |
| 700 | 49.5 | 103 | 293 | 130 | 210 | 130 | 8 | T | 25 | 4 | 53 | 60 | 85 | 8x7x35 | PT1/2 | PT3/8 | |
| 10 | 350 | 53 | 110 | 290 | 130 | 210 | 130 | 8 | 7 | 25 | 4 | 53 | 60 | 85 | 8x7x35 | PT3/4 | PT3/8 |
| 500 | 53 | 110 | 290 | 130 | 210 | 130 | 8 | 7 | 25 | 4 | 53 | 60 | 85 | 8x7x35 | PT3/4 | PT3/8 | |
| 700 | 53 | 110 | 290 | 130 | 210 | 130 | 8 | 7 | 25 | 4 | 53 | 60 | 85 | 8x7x35 | PT3/4 | PT3/8 | |
| 15 | 350 | 58.5 | 121 | 311 | 130 | 210 | 130 | 8 | 7 | 25 | 4 | 53 | 60 | 85 | 8x7x35 | PT3/4 | PT3/8 |
| 500 | 58.5 | 121 | 311 | 130 | 210 | 130 | 8 | 7 | 25 | 4 | 53 | 60 | 85 | 8x7x35 | PT3/4 | PT3/8 | |
| 700 | 58.5 | 121 | 311 | 130 | 210 | 130 | 8 | 7 | 25 | 4 | 53 | 60 | 85 | 8x7x35 | PT3/4 | PT3/8 | |
| 20 | 500 | 64 | 132 | 322 | 130 | 210 | 130 | 8 | 7 | 25 | 4 | 53 | 60 | 85 | 8x7x35 | PT3/4 | PT3/8 |
| 700 | 64 | 132 | 322 | 130 | 210 | 130 | 8 | 7 | 25 | 4 | 53 | 60 | 85 | 8x7x35 | PT3/4 | PT3/8 | |
Смотри также двухступенчатые насосы тип RZ
Если вы хотите купить двухступенчатый насос тип DVP , вы можете:
Позвонить:

