Специальный соленоидный клапан 40000672
Нормально открытый клапан игольчатого типа.Клапан очень надежный, с антибактериальными свойствами.
Катушка из термоактивной пластмассы, выдерживает высокие и низкие температуры.
Может использоваться для воздуха, воды, пара при условии установки соответствующих уплотнений.
| Код | Усл.проход | Резьба | Давление, бар | Рабочая темп. | напряжение | материал | Уплотнение |
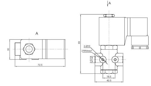
| 440000672 | 2 | G1/8 или G1/4 | 0-10 | -20°C~80°C -40°C~180°C | AC24V-220V DC12V-24V | латунь | витон или NBR |

производитель
RFS
Если вы хотите купить специальный соленоидный клапан 40000672 , вы можете:
Позвонить:

