Импульсный клапан пылеудаления RMF-Y (соленоидный клапан)
НазначениеКлапан соленоидный диафрагменный RMF-Y используется в системах пылеудаления.
Тип управления:
— пневматический;
— электромагнитный;
— электромагнитный взрывозащищенный.
Малые утечки воздуха.
Код заказа:
| RMF | Y | 50 | S | EX |
| Импульсный клапан | Y:Электромагнитное управление Q: Пневматическое управление | Условный проход | Двойная диафрагма | Без обозн: Нормальный Тип EX: взрывозащищенный тип |
Параметры
| Модель | Рабочее давление | Температура среды | Влажность | Рабочая среда | Напряжение | Циклы службы диафрагмы | Условный проход, мм | Присоедитльный размер |
| RMF-Y-50S | 50 | D65 | ||||||
| RMF-Y-62S | 0,3-038 МПа | -5 ~ 55°C | < 85% | Чистый воздух | AC110V AC220V | Не менее 1 млн | 62 | D80 |
| RMF-Y-76S | DC24V | 76 | D90 |

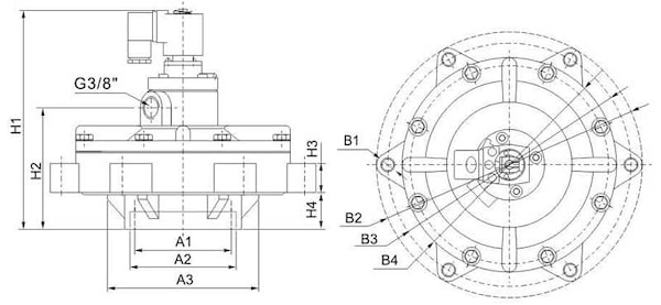
Габаритные Размеры
| Модель | A1 | A2 | A3 | B1 | B2 | B3 | B4 | H1 | H2 | H3 | H4 |
| RMF-Y-50S | 064.5 | 078.5 | 0118 | 6-011.5 | 0200 | 0180 | 0159 | 187 | 100 | 25 | 31 |
| RMF-Y-62S | 080 | 093.5 | 0145 | 6-011 | 0226 | 0204 | 0185 | 197 | 107 | 34.5 | 35 |
| RMF-Y-76S | 090 | 099 | 0141 | 6-011 | 0248 | 0227 | 0200 | 205 | 113 | 27 | 34 |
производитель
RFS
Если вы хотите купить импульсный клапан пылеудаления RMF-Y (соленоидный клапан) , вы можете:
Позвонить:

