Ввертный предохранительный клапан VSCR6 до 250 бар, до 12 л/мин
до 250 бар, до 12 л/мин
Клапаны фиксированного контроля потока с компенсацией давления серии VSCR6 предназначены для точного контроля потока в гидравлических системах, обеспечивая стабильный расход независимо от изменения давления. Эти клапаны идеально подходят для применения в системах, где требуется надежный и предсказуемый контроль потока.
Эти клапаны обеспечивают точный и стабильный контроль потока, что делает их идеальными для использования в гидравлических системах, требующих надежного регулирования скорости потока жидкости.
Код заказа:

| Модель | Контролируемый поток при 100 бар ± 10% |
| VSCR6-1 | 1 л/мин |
| VSCR6-2 | 2 л/мин |
| VSCR6-3 | 3 л/мин |
| VSCR6-4 | 4 л/мин |
| VSCR6-5 | 5 л/мин |
| VSCR6-6 | 6 л/мин |
| VSCR6-7 | 7 л/мин |
| VSCR6-8 | 8 л/мин |
| VSCR6-9 | 9 л/мин |
| VSCR6-10 | 10 л/мин |
| VSCR6-11 | 11 л/мин |
| VSCR6-12 | 12 л/мин |
Гидравлическая схема:

Таблица характеристик для гидравлического масла и условий эксплуатации:
| Параметр | Значение |
| Гидравлическое масло | Минеральное масло ISO 6743/4 |
| Вязкость масла | 15-250 мм²/с |
| Максимальный индекс загрязнения | ISO 4406:1999 Класс 19/17/14 |
| Температура масла | от -20°C до +80°C |
| Температура окружающей среды | от -20°C до +50°C |
| Фильтрация | Использование фильтра обязательно для защиты клапана (рекомендуемая фильтрация 15 мкм) |
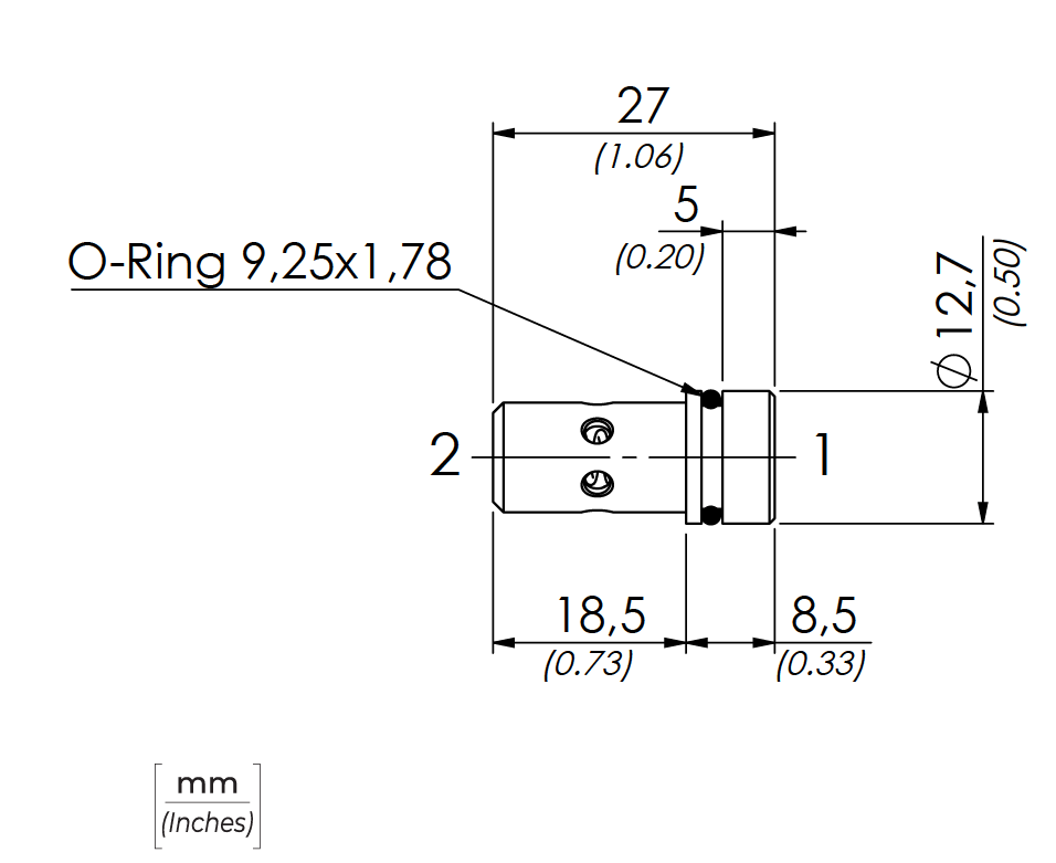
Габаритные размеры:


| Тип | ∅, мм |
| VSCR61 | 1,0 |
| VSCR62 | 1,2 |
| VSCR63 | 1,5 |
| VSCR64 | 1,7 |
| VSCR65 | 1,9 |
| VSCR66 | 2,1 |
| VSCR67 | 2,3 |
| VSCR68 | 2,4 |
| VSCR69 | 2,7 |
| VSCR610 | 2,8 |
| VSCR611 | 3,1 |
| VSCR612 | 3,3 |
производитель
OLEOWEB
Если вы хотите купить ввертный предохранительный клапан VSCR6 , вы можете:
Позвонить:

