Ввертный предохранительный клапан VMPC35 35 л/мин 350 бар М20х1,5
35 л/мин 350 бар
М20х1,5
Корпус: сталь с цинковым покрытием.
Уплотнение Buna N
Герметичность: незначительные утечки
График перепада давления от расхода

| КОД | ТИП | Макс. расход, л/мин | Диапазон настройки, бар |
| VC0350/120 | VMPC 35 10-120 BAR | 35 | 10-120 |
| VC0350/300 | VMPC 35 50-300 BAR | 35 | 50-300 |

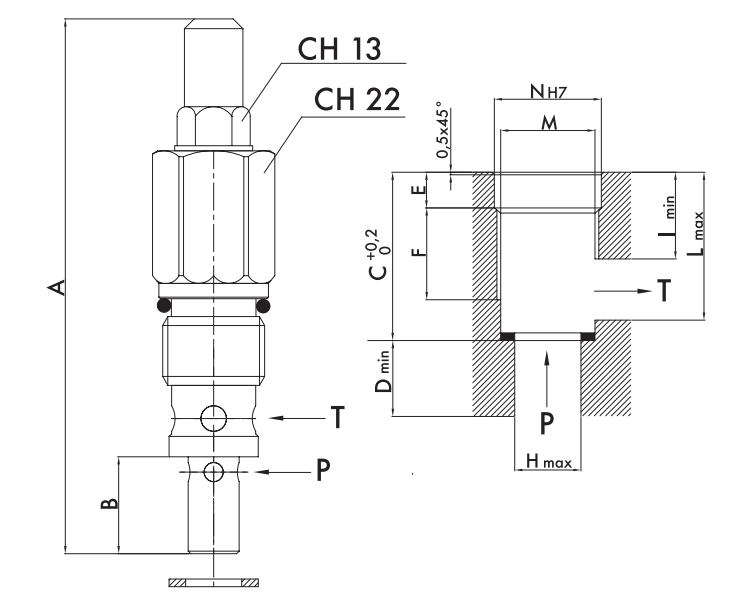
| КОД | ТИП | M | A | В | С | D | E | F | ØH | 1 | L | ØN | Масса |
| mm | mm | mm | mm | mm | mm | mm | mm | mm | mm | kg | |||
| VC0350/120 | VMPC 35 10-120 BAR | M20X1,5 | 104 | 19 | 34,5 | 21 | 7 | 16 | 13 | 18 | 29 | 21 | 0,155 |
| VC0350/300 | VMPC 35 50-300 BAR | M20X1,5 | 104 | 19 | 34,5 | 21 | 7 | 16 | 13 | 18 | 29 | 21 | 0,155 |
Тип регулировки
| КОД/V | Маховичок |
| КОД/PP | винт |
| КОД/PP | винт с колпачком |
Аналоги других производителей:
| Oleodinamica Marchesini | MTC (Walvoil) | Oleoweb | Luen | Gumec | HBS |
| VMPC 35 10-120 BAR | VMD30-C-2 | RVD-30 (10A03A003M51Y) | A013807.03.00 | ||
| VMPC 35 50-300 BAR | VMD30-C-2 | RVD-30 (10A03A003M51W) | A013807.04.00 |
производитель
Oleodinamica Marchesini
Если вы хотите купить ввертный предохранительный клапан VMPC35 , вы можете:
Позвонить:

