Пневмораспределители пятилинейные
Пневмораспределители серии Q24 представляют собой высокоэффективные устройства, предназначенные для управления потоком воздуха в пневматических системах. Они характеризуются уникальной конструкцией с подвижным столбом, обеспечивающей надежную и стабильную работу.
Основные особенности:
-
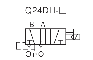
Двухпозиционный четырехходовой клапан:
- Обеспечивает четкое переключение потоков воздуха между различными каналами.
- Подходит для применения в автоматизированных системах управления.
-
Режимы управления:
- Одноэлектронное управление (D): Идеально подходит для систем, требующих простого и надежного управления.
- Двухэлектронное управление (D2): Предоставляет дополнительную гибкость и точность управления.
- Одноканальное воздушное управление (Q): Обеспечивает простое и эффективное управление при помощи воздуха.
- Двухканальное воздушное управление (Q2): Повышает точность и надежность за счет использования двух воздушных каналов.
-
Тип конструкции:
- С подвижным столбом (H): Обеспечивает минимальное трение и износ, увеличивая срок службы устройства и обеспечивая стабильную работу в течение длительного времени.
-
Размеры портов:
- Широкий диапазон размеров портов (G1/8", G1/4", G3/8", G1/2") позволяет легко интегрировать распределители в различные пневматические системы.
- Порты соответствуют международным стандартам, что упрощает установку и замену.
Преимущества использования:
- Высокая надежность и долговечность: Использование высококачественных материалов и передовых технологий производства обеспечивает длительный срок службы.
- Гибкость в применении: Возможность выбора различных режимов управления и размеров портов позволяет использовать распределители Q24 в самых разнообразных пневматических системах.
- Простота монтажа и обслуживания: Интуитивно понятная конструкция и стандартные размеры портов делают процесс установки и технического обслуживания быстрым и легким.
Примеры применения:
- Автоматизация производственных процессов
- Системы управления в машиностроении
- Пневматические системы транспортных средств
- Оборудование для обработки материалов
Пневмораспределители Q24 идеально подходят для тех, кто ищет надежное, гибкое и долговечное решение для своих пневматических систем. Благодаря продуманной конструкции и широкому диапазону доступных конфигураций, они могут быть адаптированы под любые потребности и условия эксплуатации.
Таблица для выбора модели Q24:
| Модель | Режим управления | Тип конструкции | Размер порта |
| Q24 | D - Одноэлектронное | H - Тип с подвижным столбом | 6 - G1/8" (M10×1) |
| D2 - Двухэлектронное | 8 - G1/4" (M12×1.25) | ||
| Q - Одноканальное воздушное | 10 - G3/8" (M16×1.5) | ||
| Q2 - Двухканальное воздушное | 15 - G1/2" (M20×1.5) |
Гидравлические схемы:

Основные характеристики:
| Модель | Q24DH-6 Q24D2H-6 | Q24QH-6 Q24Q2H-6 | Q24DH-8 Q24D2H-8 | Q24QH-8 Q24Q2H-8 | Q24DH-10 Q24D2H-10 | Q24QH-10 Q24Q2H-10 | Q24DH-15 Q24D2H-15 | Q24QH-15 Q24Q2H-15 | ||||||||
| Номинальный диаметр (мм) | 6 | 8 | 10 | 15 | ||||||||||||
| Диапазон рабочего давления | 0.2-1.8 MPa | |||||||||||||||
| Время коммутации (с) | 0.1 | |||||||||||||||
| Температура окружающей среды | -5-55°C | |||||||||||||||
| Температура среды | 0-50°C | |||||||||||||||
| Напряжение питания | Электронное управление AC: 220V, 36V DC: 48V, 24V, 12V; Допустимое отклонение напряжения ±10%-15% | |||||||||||||||
| Срок службы (1000 циклов) | >1500 | |||||||||||||||
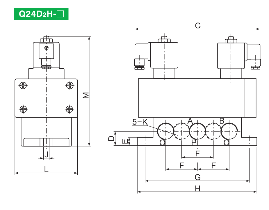
Размеры:

| Модель | Размер порта | C | D | E | F | G | H | M | J | L |
| Q24DH-6 | G1/8" | 129 | 12 | 10 | 24 | 94 | 115 | 126 | 9 | 50 |
| Q24DH-8 | G1/4" | 129 | 12 | 10 | 24 | 94 | 115 | 126 | 9 | 50 |
| Q24DH-10 | G3/8" | 164 | 17 | 12 | 36 | 132 | 156 | 160 | 9 | 60 |
| Q24DH-15 | G1/2" | 164 | 17 | 12 | 36 | 132 | 156 | 160 | 9 | 60 |

| Модель | Размер порта | C | D | E | F | G | H | M | J | L |
| Q24D2H-6 | G1/8" | 161 | 12 | 10 | 24 | 94 | 115 | 126 | 9 | 50 |
| Q24D2H-8 | G1/4" | 161 | 12 | 10 | 24 | 94 | 115 | 126 | 9 | 50 |
| Q24D2H-10 | G3/8" | 170 | 17 | 12 | 36 | 132 | 156 | 160 | 9 | 60 |
| Q24D2H-15 | G1/2" | 170 | 17 | 12 | 36 | 132 | 156 | 160 | 9 | 60 |
Если вы хотите купить пневмораспределители пятилинейные , вы можете:
Позвонить:

