Гидростанция c одним распределителем (схема 01) 30-250 бар 7-28 л/мин
30-250 бар
7-28 л/мин
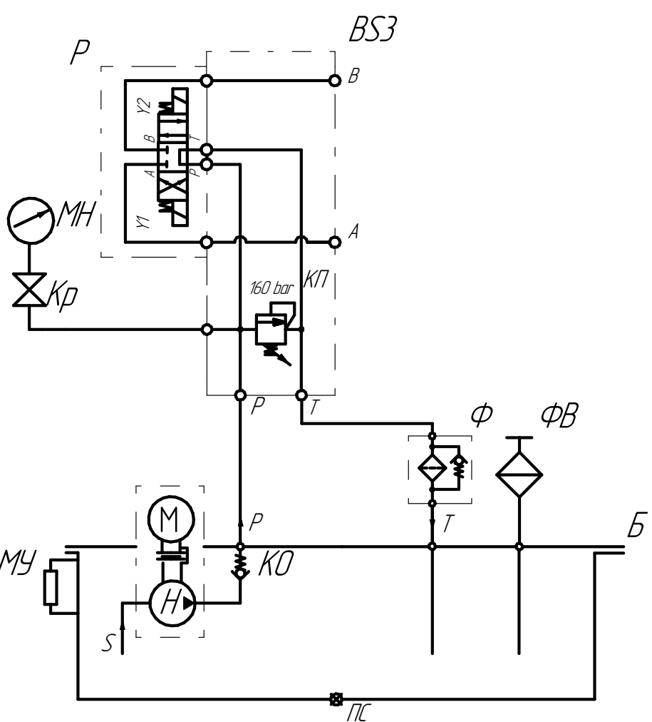
Гидравлические установки данного типа применяются для управления одним исполнительным механизмом, например гидроцилиндр пресса, гидромотор конвеера и т.п. Схема гидравлическая:
Размеры и технические данные:
| Обозначение гидравлической установки | Рабочий объем Vn, см3/об | Расход Qn, л/мин при n=1500 об/мин | Давление P, бар | Мощность N, кВТ (Типоразмер двигателя) | Объем бака Vб, л | Габаритные размеры установки, мм | 3D модель | ||
| a | b | c | |||||||
| УГ20.01.001 | 4,5 | 6 | 160 | 2,2 (АИР90L4) | 25 | 450 | 340 | 570 | |
| УГ20.01.002 | 210 | 3,0 (АИР100S4) | 40 | 515 | 390 | 670 | |||
| УГ20.01.003 | 6,3 | 8,5 | 160 | 3,0 (АИР100S4) | 40 | 515 | 390 | 670 | |
| УГ20.01.004 | 210 | 4,0 (АИР100L4) | 515 | 390 | 720 | ||||
| УГ20.01.005 | 8,2 | 11 | 160 | 4,0 (АИР100L4) | 40 | 515 | 390 | 720 | |
| УГ20.01.006 | 210 | 5,5 (АИР112M4) | 70 | 615 | 455 | 820 | |||
| УГ20.01.007 | 10 | 13,9 | 160 | 5,5 (АИР112M4) | 70 | 615 | 455 | 820 | скачать |
| УГ20.01.008 | 210 | 7,5 (АИР132S4) | 615 | 455 | 860 | ||||
| УГ20.01.009 | 12 | 16,9 | 160 | 5,5 (АИР112M4) | 70 | 615 | 455 | 820 | |
| УГ20.01.010 | 210 | 7,5 (АИР132S4) | 100 | 685 | 505 | 915 | |||
| УГ20.01.011 | 14 | 19,9 | 160 | 7,5 (АИР132S4) | 100 | 685 | 505 | 915 | |
| УГ20.01.012 | 210 | 11,0 (АИР132M4) | 685 | 505 | 905 | ||||
| УГ20.01.013 | 16 | 23 | 160 | 7,5 (АИР132S4) | 100 | 685 | 505 | 915 | |
| УГ20.01.014 | 210 | 11,0 (АИР132M4) | 685 | 505 | 905 | ||||
| УГ20.01.015 | 19 | 27 | 160 | 11,0 (АИР132M4) | 100 | 685 | 505 | 905 | |
| УГ20.01.016 | 190 | 160 | 780 | 570 | 960 | ||||
Примечание - значение габаритного размера С может отличаться от значения в вышеуказанной таблице по причине отличия габаритного размера двигателя в зависимости от завода-изготовителя!
производитель
GPA
Если вы хотите купить гидростанция c одним распределителем (схема 01) , вы можете:
Позвонить:

