Гидроклапан четырехлинейный двухпозиционный ввертный EV4 7/8 UNF 250бар, 40 л/мин
7/8 UNF
250бар, 40 л/мин

Доступно несколько различных гидросхем.
Кольца с двойными уплотнениями обеспечивают эффективную и надежную герметичность клапана
Технические данные:
Номинальный расход | 32 l/min |
Максимальный расход | 40 l/min |
Макс. давление | 25 MPa (250 bar) |
Цикл нагрузки | ED 100% |
Вес (без катушки) | 0,25 kg |
Электрические характеристики: клапаны данного типа стандартно комплектуются соленоидами типа B02, которые питаются: напрямую постоянным током напряжением: V 12 DC = 012C V 24 DC = 024C и через встроенный диодный мост если ток переменный:напряжением: V 110/50-V 115/60 = 115A V 220/50 - V 230/60 = 230A
Код для заказа:

(1) EV4 : 4-четырехлинейный золотниковый двухпозиционный гидроклапан
(2)Тип золотника:
XP
CX
CP
PX
(3) 78 : cavity 7/8" 14 UNF
(4) Варианты управления
03: без ручного дублирования
04: с ручным дублированием (стандарт)
05: ручное дублирование винтового типа.
(5) Напряжение электромагнита
0000 : без катушки
012C : c V12DC
024C : V24DC
115A : V110/50 – V 115/60 AC
230A : V220/50 – V 230/60 AC
(6) Разъем
без обозначения : стандартный разъем ISO4400/DIN43650/A
D:Deutsch;
A: AMP Junior Timer;
AMPX
(7) Номер серии

Типы схем:

рекомендации по портам: 3=Р;1=Т 2=А; 4=В
Принцип действия:

Ввертные 4/2 электромагнитные клапаны типа EV4 **. 78 состоят из втулки 1 клапана, управляющей катушки 2, возвратной пружины 3 и исполнительного узла 4, который содержит магнитные части и резьбовую секцию. Соленоид 5 закреплен на узел с помощью удерживающего гайки 6. Когда катушка находятся под напряжением, магнитный якорь сдвигается и с помощью стержня установленного внутри клапана, перемещают золотник, который соединяет между собой 1 2,3,4 порты.
Типичная диаграмма:

Ограничения по мощности:

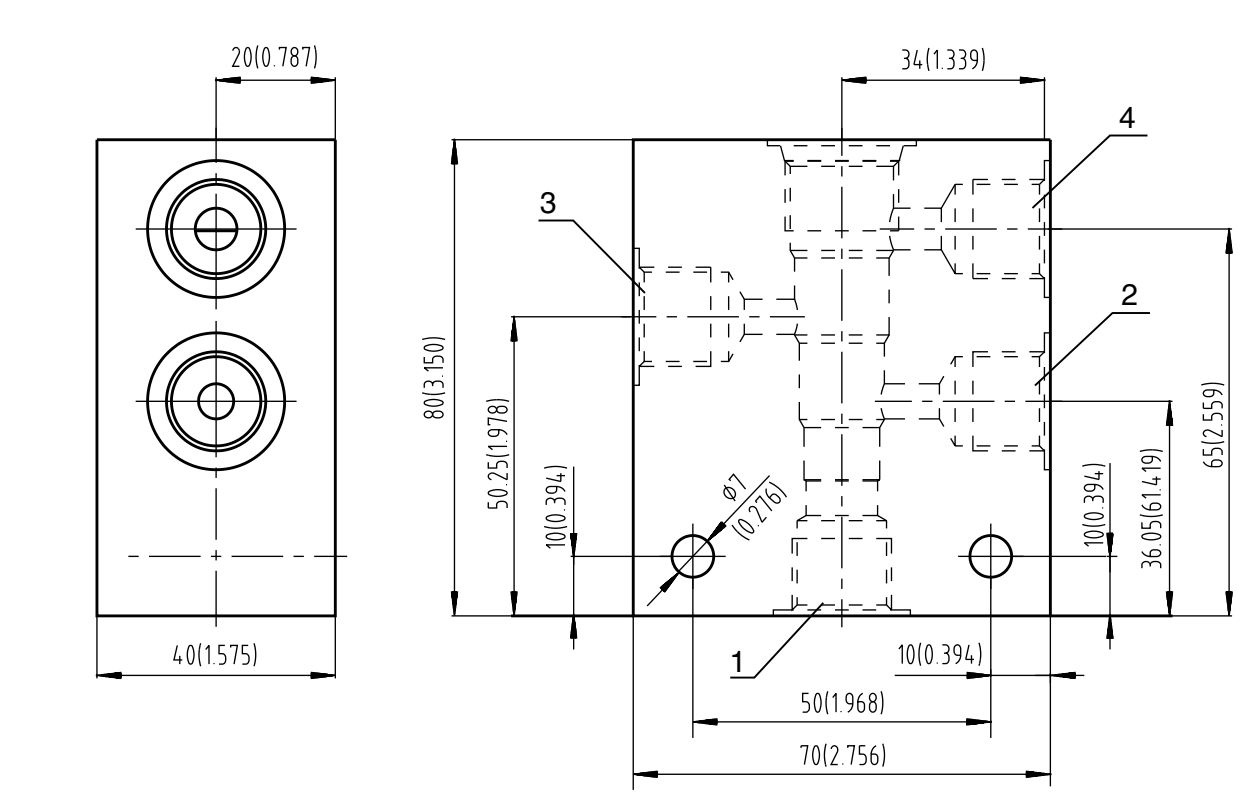
Установочные размеры:

Варианты ручного дублирования:

Плита LAB-78-4/38, 3/8" BSP,Алюминий, Масса 0,71 Kg

Если вы хотите купить гидроклапан четырехлинейный двухпозиционный ввертный EV4 , вы можете:
Позвонить: