Клапан регенерации (быстрого хода) тип VRSP 350 бар
350 бар
| Корпус | сталь оцинков. |
| Внутренние части | сталь |
| Уплотнения | BUNA N standard |
| Утечки | минимальные |
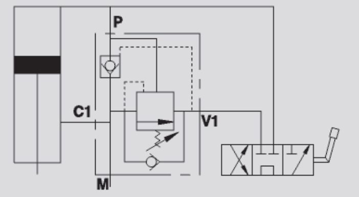
Позволяет ускорить холостой ход гидравлического цилиндра за счет направления масла из штоковой полости в С1 поршневую линию Р пока давление в полости Р не достигнет заданного. После этого поток из полости С1 направляется в бак.
Присоединение:
Порт С1 - штоковая полость, V1 к распределителю, P к распределителю и поршневой полости цилиндра.
Гидравлическая схема:

| КОД | ТИП | соотношение площадей | Прасход макс., л/мин | Диапазон давления, бар |
| V1220 | VRSP 1/2" | 1:4,5 | 60 | 60-350 |
| V1230 | VRSP 3/4" | 1:5,5 | 95 | 60-350 |
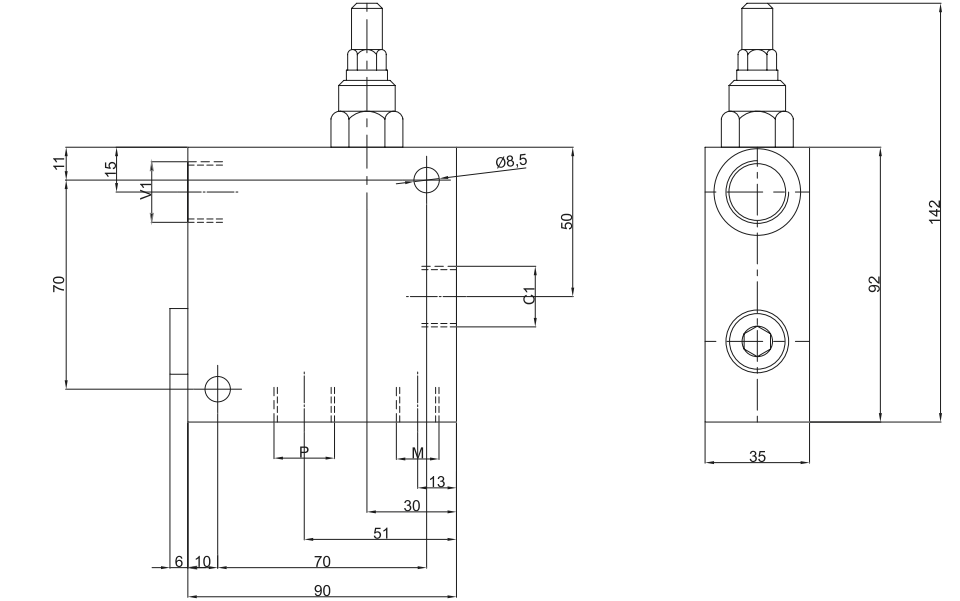
Размеры:

| КОД | ТИП | VI -V2 C1-C2 | L | Ll | L2 | L3 | u | L5 | L6 | L 7 | L8 | L9 | L10 | H | HI | s | Масса |
| GAS | mm | mm | mm | mm | mm | mm | mm | mm | mm | mm | mm | mm | mm | mm | Kg. | ||
| V1220 | VRSP 1/2" | G 1/2" | 90 | 6 | 10 | 70 | 51 | 30 | 13 | 70 | 11 | 15 | 50 | 92 | 142 | 35 | 2,03 |
| V1230 | VRSP 3/4" | G 3/4" | 105 | 6 | 10 | 85 | 59 | 37 | 20 | 85 | 12 | 22 | 62 | 120 | 177 | 40 | 3,50 |
Аналоги других производителей:
| Oleodinamica Marchesini | MTC (Walvoil) | Oleoweb | Luen | Gumec | HBS | VILLA | Bosch Rexroth |
| VRSP 1/2" | 49A00F003R04X | ||||||
| VRSP 3/4" | 49A00F003R05X | CB90SLRGTCC 04 |
производитель
Oleodinamica Marchesini
Если вы хотите купить клапан регенерации (быстрого хода) тип VRSP , вы можете:
Позвонить:

