Клапан привода маркера сеялки VDFS 350 бар
350 бар
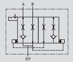
Клапаны типа VDFS применяются для работы с двусторонними либо односторонними цилиндрами привода маркеров сеялок.Позволяет осуществлять автоматическое складывание/опускание маркера сеялки при подаче/снятии давления в порт P/T.
В результате осуществляется удобное управление двумя маркерами с одной секции гидрораспределителя.
Присоединение:
Порт Р/Т в линию давления от распределителя, А и В к полостям гидроцилиндра.
Гидравлическая схема:
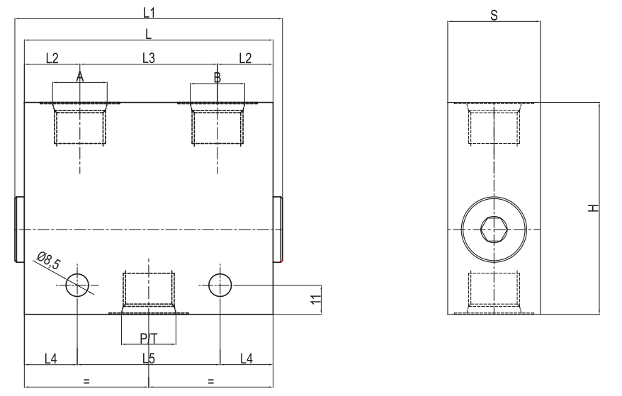
Размеры:
| КОД | ТИП | A-B P/T | L | L1 | L2 | L3 | L4 | L5 | L6 | L7 | H | S | Масса |
| SAE | mm | mm | mm | mm | mm | mm | mm | mm | mm | mm | Kg. | ||
| V1450 | VDFS 3/4" - 16 UNF | 3/4"-16 | 94 | 102 | 21 | 52 | 26 | 40 | 54 | 12 | 80 | 35 | 1,83 |
по заказу порты А, В, Р/Т могут быть с внутренней резьбой 1/4", либо с фитингом DIN под трубку 12L
Схема подключения клапана маркера сеялки с гидроцилиндрами одностороннего действия:
Схема подключения клапана маркера сеялки с гидроцилиндрами двухстороннего действия:

производитель
Oleodinamica Marchesini
Если вы хотите купить клапан привода маркера сеялки VDFS , вы можете:
Позвонить:

