Опорно-поворотное устройство WE9-62-25H-R 578 кН
578 кН

Технические характеристики:
Модель | Выходной момент | Опрокиды-вающий момент | Удержи-вающий момент | Статическая осевая нагрузка | Статическая радиальная нагрузка | Динамическая осевая нагрузка | Динамическая радиальная нагрузка | Передаточное отношение | Люфт | Масса |
WE9 | 8 kN.m | 35.6 kN.m | 38.7 kN.m | 578 kN | 215 kN | 136 kN | 115 kN | 62 : 1 | < 0.15° | 48.5 kg |
Таблица допустимых нагрузок:

Желтая зона - допустимые значения.
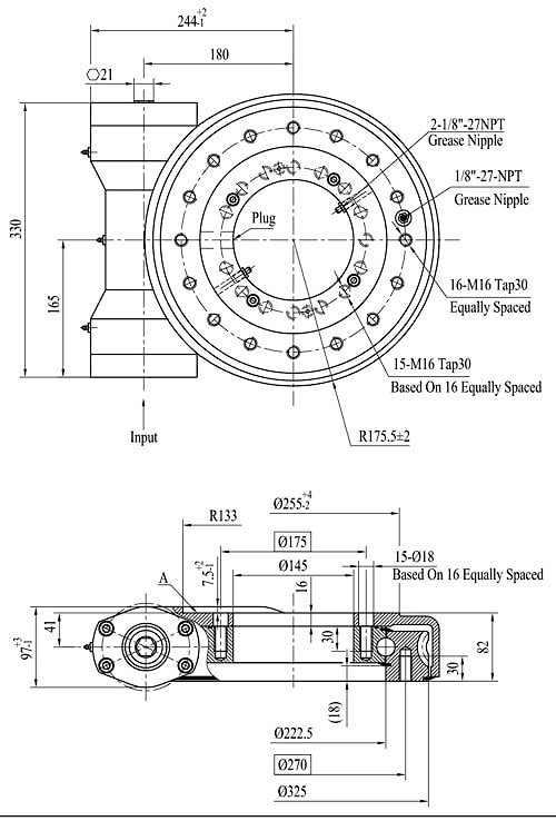
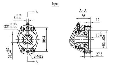
Размеры:


Если вы хотите купить опорно-поворотное устройство WE9-62-25H-R , вы можете:
Позвонить: