Опорно-поворотное устройство WEA7-47-25H-R-REV 210 кН
210 кН
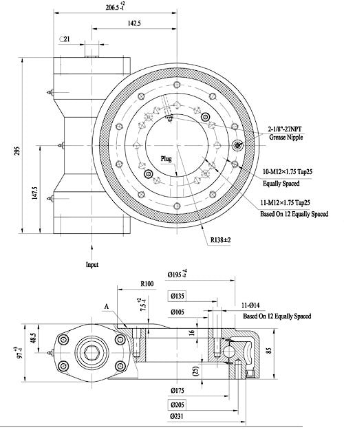
Опорно-поворотное устройство WEA7-47-25H-R-REV представляет собой подшипниковый узел и червячный редуктор в одном корпусе. Позволяет осуществлять поворот механизма гидромотором. Применяется в экскаваторах, кранах, грейдерах и др.
Технические характеристики:
| Модель | Выходной момент | Опрокиды-вающий момент | Удержи-вающий момент | Статическая осевая нагрузка | Статическая радиальная нагрузка | Динамическая осевая нагрузка | Динамическая радиальная нагрузка | Передаточное отношение | Люфт | Масса |
| WEA7 | 3.5 kN.m | 14.2 kN.m | 20 kN.m | 220 kN | 90 kN | 63 kN | 48 kN | 47 : 1 | < 0.15° | 35 kg |
Таблица допустимых нагрузок:
Желтая зона - допустимые значения.
Размеры:
Если вы хотите купить опорно-поворотное устройство WEA7-47-25H-R-REV , вы можете:
Позвонить:

