Трехвинтовые насосы для жидкости с малой вязкостью и низкой смазывающей способностью типа РО, PWO 100 бар, 10-600 л/мин, 1-50 cSt
100 бар, 10-600 л/мин, 1-50 cSt
Трехвинтовые насосы серии PWO применяются для:• Охлаждения и смазывания в системах металлообрабатывающих станков, машин глубокого сверления
• Нагнетания жидкостей с низкими смазывающими способностями и низкой вязкостью.
• В центральных блоках теплообменников и рекуператоров энергии
• Рециркуляции масла, легкого топлива
• Заполнения баков и перекачки масла / мазута.
• Везде, где необходима подача СОЖ с высоким давлением и где использование чугуна для изготовления насосов, является обязательным (например, морские и энергетика).
Насосы серии PWO агрегатируются с электродвигателями. Насосные агрегаты комплектуются предохранительными клапанами, всасывающими патрубками.
Для запроса цены винтовых насосов типа PWO Вы можете заполнить
бланк.
| Установка | Погружное или снаружи |
| Среда | Промышленная, морская |
| Температура среды Мин/Макс | -25°C (CS) и -40°C (LTCS) , только хранение / 60°C |
| Жидкости | Водно-масляная эмульсия и масло СОЖ, легкие топлива и жидкости с малой смазочной способностью. Минеральные и синтетические смазочные масла |
| Содержание твердых веществ | для чистых жидкостей |
| Диапазон вязкости | от 1 до 400 сСт * |
| Скорость вращения вала | от 2900 до 3600 об/мин * |
| Направление вращения вала | По часовой стрелке |
| По запросу, против часовой стрелки | |
| ТЕХНИЧЕСКИЕ ХАРАКТЕРИСТИКИ | |
| Производительность | от 10 до 650 л/мин |
| Давление на всасывании | от -0,5 до 10 бар |
| Давление на нагнетании | МАКС 100 бар |
| Рабочая температура | от 0 до 100°C |
| Уплотнение | Радиальное или механическое |
| Подшипник | Радиальный шариковый |
| Смазка подшипника | Наружный самосмазывающийся |
| Привод | электродвигатель |
| Конструктивная форма | Горизонтальная или вертикальная |
| Вход/выход | SAE |
| Предохранительные клапаны | заказывается дополнительно |
| МАТЕРИАЛЫ | |
| Корпус/Фланцы | GG25. GGG40, Углеродистая сталь |
| Три винта | Азотированная углеродистая сталь |
| Уплотнительные кольца | Viton ® |
Таблица производительности винтовых насосов PO и PWO
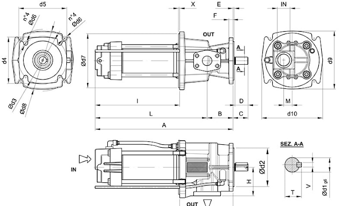
Размеры насосов PO и PWO:

| Модель | A | B | c | D | E | F | H | I | L | M | IN | OUT | T | V | di | d2 | d3 | d4 | d5 | d6 | d7 | X | d8 | d9 | d10 | z |
| PWO025 | 357 | 67 | 39 | 34 | 3 | 10 | 74 | 219 | 290 | 22 | 1"GAS | 1"SAE | 21,5 | 6 | 19 | 100 | 125 | 120 | 124 | 12 | 140 | 3 | 160 | 150 | 158 | 138 |
| PWO029 | 357 | 67 | 39 | 34 | 3 | 10 | 74 | 219 | 290 | 22 | 1'GAS | 1"SAE | 21,5 | 6 | 19 | 100 | 125 | 120 | 124 | 12 | 140 | 3 | 160 | 150 | 158 | 138 |
| PWO032 | 400 | 67 | 39 | 34 | 3 | 10 | 74 | 262 | 333 | 22 | 1'GAS | 1"SAE | 21,5 | 6 | 19 | 100 | 125 | 120 | 124 | 12 | 140 | 3 | 160 | 150 | 158 | 138 |
| PWO040 | 484 | 102 | 49 | 40 | 7 | 15 | 81 | 312 | 383 | 42 | 1 1/2" GAS | 1 1/2" SAE | 27 | 6 | 22 | 125 | 160 | 154 | 158 | 14 | 180 | 6 | 215 | 203 | 211 | 173 |
| PWO045 | 534 | 102 | 49 | 40 | 7 | 15 | 81 | 362 | 433 | 42 | 1 1/2" GAS | 1 1/2" SAE | 27 | 8 | 24 | 125 | 160 | 154 | 158 | 14 | 180 | 6 | 215 | 203 | 211 | 173 |
| PWO055 | 613 | 161.5 | 64 | 55 | 8 | 15 | 100 | 380 | 451 | 72 | 3" GAS | 2" SAE | 35 | 10 | 32 | 125 | 160 | 173 | 175 | 14 | 235 | 6 | 265 | 249 | 257 | 232.5 |
| PWO060 | 667 | 161.5 | 64 | 55 | 8 | 15 | 100 | 434 | 505 | 72 | 3" GAS | 2" SAE | 35 | 10 | 32 | 125 | 160 | 173 | 175 | 14 | 235 | 6 | 265 | 249 | 257 | 232.5 |
Насосные агрегаты GPSWO и GVWO:

Составные части насосного агрегата (заказываются индивидуально)
А - насос винтовой, В - клапан предохранительный, С - плита, D - сливная трубка, E- всасывающий патрубок, G- электродвигатель, F - переходный фланец (колокол) с муфтой.

| Размер | Мотор | | IN | OUT | A | B | c | D | E | F | G | H | R | s | Q | x | Z | Y | W |
| 025 | 71A-71B | G1" | SAE1" | 290 | 67 | 98 | 219 | 22 | 74 | 71 | 45 | 90 | 112 | 7 | 110 | 130 | 160 | 9 |
| 80A-80B | G1" | SAE 1" | 290 | 67 | 118 | 219 | 22 | 74 | 80 | 50 | 100 | 125 | 9 | 145 | 165 | 200 | 11 | |
| 90S | G1" | SAE 1" | 290 | 67 | 118 | 219 | 22 | 74 | 90 | 56 | 100 | 140 | 10 | 145 | 165 | 200 | 11 | |
| 90L | G1" | SAE1" | 290 | 67 | 118 | 219 | 22 | 74 | 90 | 56 | 125 | 140 | 10 | 145 | 165 | 200 | 11 | |
| 100L | G1" | SAE 1" | 290 | 67 | 136 | 219 | 22 | 74 | 100 | 63 | 140 | 160 | 11 | 190 | 215 | 250 | 14 | |
| 112M | G1" | SAE 1" | 290 | 67 | 136 | 219 | 22 | 74 | 112 | 70 | 140 | 190 | 10 | 190 | 215 | 250 | 14 | |
| 132SA-132SB | G1" | SAE1" | 290 | 67 | 155 | 219 | 22 | 74 | 132 | 89 | 140 | 216 | 10 | 234 | 265 | 300 | 14 | |
| 160MA-160MB | G1" | SAE1" | 290 | 67 | 194 | 219 | 22 | 74 | 160 | 108 | 210 | 254 | 12 | 260 | 300 | 350 | 18 | |
| 029 | 80A-80B | G1" | SAE1" | 290 | 67 | 118 | 219 | 22 | 74 | 80 | 50 | 100 | 125 | 9 | 145 | 165 | 200 | 11 |
| 90S | G1" | SAE1" | 290 | 67 | 118 | 219 | 22 | 74 | 90 | 56 | 100 | 140 | 10 | 145 | 165 | 200 | 11 | |
| 90L | G1" | SAE1" | 290 | 67 | 118 | 219 | 22 | 74 | 90 | 56 | 125 | 140 | 10 | 145 | 165 | 200 | 11 | |
| 100L | G1" | SAE1" | 290 | 67 | 136 | 219 | 22 | 74 | 100 | 63 | 140 | 160 | 11 | 190 | 215 | 250 | 14 | |
| 112M | G1" | SAE1" | 290 | 67 | 136 | 219 | 22 | 74 | 112 | 70 | 140 | 190 | 10 | 190 | 215 | 250 | 14 | |
| 132SA-132SB | G1" | SAE1" | 290 | 67 | 155 | 219 | 22 | 74 | 132 | 89 | 140 | 216 | 10 | 234 | 265 | 300 | 14 | |
| 160MA-160MB | G1" | SAE1" | 290 | 67 | 194 | 219 | 22 | 74 | 160 | 108 | 210 | 254 | 12 | 260 | 300 | 350 | 18 | |
| 032 | 90S | G1" | SAE1" | 333 | 67 | 118 | 263 | 22 | 74 | 90 | 56 | 100 | 140 | 10 | 145 | 165 | 200 | 11 |
| 90L | G1" | SAE1" | 333 | 67 | 118 | 263 | 22 | 74 | 90 | 56 | 125 | 140 | 10 | 145 | 165 | 200 | 11 | |
| 100L | G1" | SAE1" | 333 | 67 | 136 | 263 | 22 | 74 | 100 | 63 | 140 | 160 | 11 | 190 | 215 | 250 | 14 | |
| 112M | G1" | SAE1" | 333 | 67 | 136 | 263 | 22 | 74 | 112 | 70 | 140 | 190 | 10 | 190 | 215 | 250 | 14 | |
| 132SA-132SB | G1" | SAE1" | 333 | 67 | 155 | 263 | 22 | 74 | 132 | 89 | 140 | 216 | 10 | 234 | 265 | 300 | 14 | |
| 160MA-160MB | G1" | SAE1" | 333 | 67 | 194 | 263 | 22 | 74 | 160 | 108 | 210 | 254 | 12 | 260 | 300 | 350 | 18 | |
| 160L | G1" | SAE1" | 333 | 67 | 194 | 263 | 22 | 74 | 160 | 108 | 254 | 254 | 12 | 260 | 300 | 350 | 18 | |
| 180M | G1" | SAE1" | 333 | 67 | 194 | 263 | 22 | 74 | 180 | 121 | 241 | 279 | 12 | 260 | 300 | 350 | 18 | |
| 040 | 100L | G1"1/2 | SAE1"1/2 | 388 | 102 | 134 | 311 | 42 | 81 | 100 | 63 | 140 | 160 | 11 | 190 | 215 | 250 | 14 |
| 112M | G1"1/2 | SAE1"1/2 | 388 | 102 | 134 | 311 | 42 | 81 | 112 | 70 | 140 | 190 | 10 | 190 | 215 | 250 | 14 | |
| 132SA-132SB | G1"1/2 | SAE1"1/2 | 388 | 102 | 155 | 311 | 42 | 81 | 132 | 89 | 140 | 216 | 10 | 234 | 265 | 300 | 14 | |
| 160MA-160MB | G1"1/2 | SAE 1 "1/2 | 388 | 102 | 194 | 311 | 42 | 81 | 160 | 108 | 210 | 254 | 12 | 260 | 300 | 350 | 18 | |
| 160L | G1"1/2 | SAET1/2 | 388 | 102 | 194 | 311 | 42 | 81 | 160 | 108 | 254 | 254 | 12 | 260 | 300 | 350 | 18 | |
| 180M | G1"1/2 | SAE1"1/2 | 388 | 102 | 194 | 311 | 42 | 81 | 180 | 121 | 241 | 279 | 12 | 260 | 300 | 350 | 18 | |
| 200LA-200LB | G1"1/2 | SAE1"1/2 | 388 | 102 | 202 | 311 | 42 | 81 | 200 | 133 | 305 | 318 | 16 | 300 | 350 | 400 | 18 | |
| 045 | 112M | G1"1/2 | SAE 1 "1/2 | 432 | 102 | 134 | 361 | 42 | 81 | 112 | 70 | 140 | 190 | 10 | 190 | 215 | 250 | 14 |
| 132SA-132SB | G1"1/2 | SAE1"1/2 | 432 | 102 | 155 | 361 | 42 | 81 | 132 | 89 | 140 | 216 | 10 | 234 | 265 | 300 | 14 | |
| 160MA-160MB | G1"1/2 | SAE1"1/2 | 432 | 102 | 194 | 361 | 42 | 81 | 160 | 108 | 210 | 254 | 12 | 260 | 300 | 350 | 18 | |
| 160L | G1"l/2 | SAE 1" 1/2 | 432 | 102 | 194 | 361 | 42 | 81 | 160 | 108 | 254 | 254 | 12 | 260 | 300 | 350 | 18 | |
| 180M | G1"1/2 | SAE1"1/2 | 432 | 102 | 194 | 361 | 42 | 81 | 180 | 121 | 241 | 279 | 12 | 260 | 300 | 350 | 18 | |
| 200LA-200LB | G1"1/2 | SAE 1 "1/2 | 432 | 102 | 202 | 361 | 42 | 81 | 200 | 133 | 305 | 318 | 16 | 300 | 350 | 400 | 18 | |
| 225M | G1"1/2 | SAE1"1/2 | 432 | 102 | 250 | 361 | 42 | 81 | 225 | 149 | 311 | 356 | 16 | 350 | 400 | 450 | M16 | |
| 055 | 132SA-132SB | G3" | SAE2" | 452 | 162 | 170 | 381 | 72 | 100 | 132 | 89 | 140 | 216 | 10 | 234 | 265 | 300 | 14 |
| 160MA-160MB | G3" | SAE2" | 452 | 162 | 204 | 381 | 72 | 100 | 160 | 108 | 210 | 254 | 12 | 260 | 300 | 350 | 18 | |
| 160L | G3" | SAE2" | 452 | 162 | 204 | 381 | 72 | 100 | 160 | 108 | 254 | 254 | 12 | 260 | 300 | 350 | 18 | |
| 180M | G3" | SAE2" | 452 | 162 | 204 | 381 | 72 | 100 | 180 | 121 | 241 | 279 | 12 | 260 | 300 | 350 | 18 | |
| 200LA-200LB | G3" | SAE2" | 452 | 162 | 212 | 381 | 72 | 100 | 200 | 133 | 305 | 318 | 16 | 300 | 350 | 400 | 18 | |
| 225M | G3" | SAE2" | 452 | 162 | 250 | 381 | 72 | 100 | 225 | 149 | 311 | 356 | 16 | 350 | 400 | 450 | M16 | |
| 250M | G3" | SAE2" | 452 | 162 | 260 | 381 | 72 | 100 | 250 | 168 | 349 | 406 | 20 | 450 | 500 | 550 | M16 | |
| 280S | G3" | SAE2" | 452 | 162 | 260 | 381 | 72 | 100 | 280 | 190 | 368 | 457 | 20 | 450 | 500 | 550 | M16 | |
| 280M | G3" | SAE2" | 452 | 162 | 260 | 381 | 72 | 100 | 280 | 190 | 419 | 457 | 20 | 450 | 500 | 550 | M16 | |
| 060 | 132SA-132SB | G3" | SAE2" | 506 | 162 | 170 | 435 | 72 | 100 | 132 | 89 | 140 | 216 | 10 | 234 | 265 | 300 | 14 |
| 160MA-160MB | G3" | SAE2" | 506 | 162 | 204 | 435 | 72 | 100 | 160 | 108 | 210 | 254 | 12 | 260 | 300 | 350 | 18 | |
| 160L | G3" | SAE2" | 506 | 162 | 204 | 435 | 72 | 100 | 160 | 108 | 254 | 254 | 12 | 260 | 300 | 350 | 18 | |
| 180M | G3" | SAE2" | 506 | 162 | 204 | 435 | 72 | 100 | 180 | 121 | 241 | 279 | 12 | 260 | 300 | 350 | 18 | |
| 200LA-200LB | G3" | SAE2" | 506 | 162 | 212 | 435 | 72 | 100 | 200 | 133 | 305 | 318 | 16 | 300 | 350 | 400 | 18 | |
| 225M | G3" | SAE2" | 506 | 162 | 250 | 435 | 72 | 100 | 225 | 149 | 311 | 356 | 16 | 350 | 400 | 450 | M16 | |
| 250M | G3" | SAE2" | 506 | 162 | 260 | 435 | 72 | 100 | 250 | 168 | 349 | 406 | 20 | 450 | 500 | 550 | M16 | |
| 280S | G3" | SAE2" | 506 | 162 | 260 | 435 | 72 | 100 | 280 | 190 | 368 | 457 | 20 | 450 | 500 | 550 | M16 | |
| 280M | G3" | SAE2" | 506 | 162 | 260 | 435 | 72 | 100 | 280 | 190 | 419 | 457 | 20 | 450 | 500 | 550 | M16 | |
| 315S | G3" | SAE2" | 506 | 162 | 295 | 435 | 72 | 100 | 315 | 216 | 406 | 508 | 28 | 550 | 600 | 660 | M20 | |
| 315M | G3" | SAE2" | 506 | 162 | 295 | 435 | 72 | 100 | 315 | 216 | 457 | 508 | 28 | 550 | 600 | 660 | M20 | |
| 315L | G3" | SAE2" | 506 | 162 | 295 | 435 | 72 | 100 | 315 | 216 | 508 | 508 | 28 | 550 | 600 | 660 | M20 | |
Скачать подробные технические характеристики и размеры.
производитель
SEIM
Если вы хотите купить трехвинтовые насосы для жидкости с малой вязкостью и низкой смазывающей способностью типа РО, PWO , вы можете:
Позвонить:

