Манометр радиальный виброустойчивый 63 мм
63 мм
Манометр радиальный с глицерином (Италия) предназначен для измерения давления жидких и газообразных сред.Применяется в гидравлических и пневматических системах, водопроводе, сельском хозяйстве.
Шкала градуирована в bar, дополнительная шкала PSI
Материалы:
| Корпус и кольцо: | Нержавеющая сталь 1.4301 a |
| Прозрачная часть | Поликарбонат |
| Шкала | Белый алюминий |
| Стрелка | Черный пластик |
| Присоединение | Латунь шестигранник 14 мм, > 40 bar отверстие давления 0.5mm |
| Измерительный элемент | Трубка Бурдона |
| Movimento: | Латунь |
| Антивибрационная жидкость | Глицерин 86.5% |
Технические параметры:
| Нормы ссылки: | EN 837-1 |
| Рабочее давление: | Статичное: 75 % от макс. Шкалы |
| Динамическое: 60 % от макс. Шкалы | |
| Per brevi periodi: fino al valore di fondo scala | |
| Температура | Окружающая: -10 ... +60 °C |
| Рабочего тела: +60 °C massimo | |
| Хранения: -10 ... +60 °C | |
| Термический дрейф | ±0,04%/1K rispetto a (+20°C) |
| Класс точности: | cl. 1.6 |
| Нормативы | IP 65 per EN 60 529 / IEC 529 |
| Масса | 0.206 kg |
| Корпус и кольцо: | Нержавеющая сталь 1.4301 a |
| Прозрачная часть | Поликарбонат |
| Шкала | Белый алюминий |
| Стрелка | Черный пластик |
| Присоединение | Латунь шестигранник 14 мм, > 40 bar отверстие давления 0.5mm |
| Измерительный элемент | Трубка Бурдона |
| Movimento: | Латунь |
| Антивибрационная жидкость | Глицерин 86.5% |
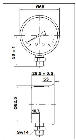
Размеры:

| Тип | Код | Шкала | Присоединенин | |
| MG1-INOX 63 | -76-0 | cm Hg | G1/4B | |
| MG1-INOX 63 | PE309914LF | -1/0 | bar/in Hg | G1/4B |
| MG1-INOX 63 | PE3401DJ00 | -1/0.6 | bar/psi | G1/4B |
| MG1-INOX 63 | PE3502DJ00 | -1+1.5 | bar/in hg | G1/4B |
| MG1-INOX 63 | PE3504BJ01 | -1+3 bar | G1/4B | |
| MG1-INOX 63 | PE308722 | -1+5 | bar | G1/4B |
| MG1-INOX 63 | -1+9 | bar | G1/4B | |
| MG1-INOX 63 | -1+15 | bar | G1/4B | |
| MG1-INOX 63 | PE340114LF | 0-1 | bar/psi | G1/4B |
| MG1-INOX 63 | PE340214LF | 0-1.6 | bar/psi | G1/4B |
| MG1-INOX 63 | PE350314LF | 0-2.5 | bar/psi | G1/4B |
| MG1-INOX 63 | PE350414LF | 0-4 | bar/psi | G1/4B |
| MG1-INOX 63 | PE350614LF | 0-6 | bar/psi | G1/4B |
| MG1-INOX 63 | PE351014LF | 0-10 | bar/psi | G1/4B |
| MG1-INOX 63 | PE351214LF | 0-12 | bar/psi | G1/4B |
| MG1-INOX 63 | PE351614LF | 0-16 | bar/psi | G1/4B |
| MG1-INOX 63 | PE352014LF | 0-20 | bar/psi | G1/4B |
| MG1-INOX 63 | PE352514LF | 0-25 | bar/psi | G1/4B |
| MG1-INOX 63 | PE354014LF | 0-40 | bar/psi | G1/4B |
| MG1-INOX 63 | PE364414LF | 0-60 | bar/psi | G1/4B |
| MG1-INOX 63 | PE364814LF | 0-100 | bar/psi | G1/4B |
| MG1-INOX 63 | PE365414LF | 0-160 | bar/psi | G1/4B |
| MG1-INOX 63 | PE366014LF | 0-250 | bar/psi | G1/4B |
| MG1-INOX 63 | PE366214LF | 0-315 | bar/psi | G1/4B |
| MG1-INOX 63 | PE366614LF | 0-400 | bar/psi | G1/4B |
| MG1-INOX 63 | PE367014LF | 0-600 | bar/psi | G1/4B |
Если вы хотите купить манометр радиальный виброустойчивый , вы можете:
Позвонить:

