Гидромотор пластинчатый выскомоментный ВЛГ-400А
Высокомоментный пластинчатый гидромотор типа ВЛГ400А имеет высокий крутящий момент и плавность хода на низких оборотах. Это позволяет использовать их в прямом безредукторном приводе.Гидромотор типа ВЛГ400А широко применяется в горнодобывающей промышленности, судостроении и транспорте.
Технические характеристики гидромотора ВЛГ-400А
| Давление нагнетания, | |
| МПа: | |
| номинальное | 10 |
| максимальное | 12.5 |
| Давление на сливе, МПа: | |
| номинальное | 0 |
| максимальное | 2 |
| Максимальное даление дренажа, МПа | 0.2 |
| Номинальный перепад давлений, МПа | 10 |
| Рабочий объем, куб.см | 2800 |
| Частота вращения вала | |
| двигателя при номинальном давлении, об/мин: | |
| номинальная | 37.8 |
| максимальная | 75 |
| минимальная | 6 |
| Номинальный расход, | 110 |
| л/мин | |
| Номинальный крутящий | 4000 |
| момент, Н’М | |
| Эффективная номинальная | 15.8 |
| мощность, кВт | |
| КПД при нормальных параметрах не ниже: | |
| механический | 0.85 |
| полный | 0.77 |
| Характеристика рабочей | |
| жидкости: кинематическая вязкость, м/с | |
| минимальная | 03.окт |
| максимальная | 10 |
| температура, °С | 0-50 |
| Номинальная тонкость | 02.05.2010 |
| фильтрации, мкм | |
| Масса, кг | 86 |
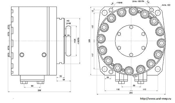
Размеры гидромотора ВЛГ-400А

Если вы хотите купить гидромотор пластинчатый выскомоментный ВЛГ-400А , вы можете:
Позвонить:

