Затвор повортный дисковый DV пневматическй актуатор и ручной привод
пневматическй актуатор и ручной привод
Управление дискового затвора сходно с управлением шаровых кранов, т.е. двухпозиционное – положение «закрыто» и положение «открыто».В дисковых затворах с пневматическим приводом поступательное движение поршня преобразуется во вращательное движения вала с помощью зубчато-реечной передачи.
Управление дисковыми затворами с ручным приводом производится за счет мускульной силы.
При управлении затворами больших диаметров возникают большие крутящие моменты, которые устраняются путем установки редуктора.
По способу монтажа дисковые затворы бывают фланцевого и межфланцевого исполнения.
Код для заказа поворотного дискового затвора:
| R | DV | P | 4 | Z | — | B1 | — | 1 | 100 |
| RFS продукт | Двухствор- чатый | Тип управления | Тип соединения | Материал корпуса | Материал диска | Материал уплотнения | Диаметр | ||
| клапан | Р-пневматич. управление | 4-фланцевый | Z - чугун | В1-чугун с покрытием | Н-Нержавеющая сталь | 50-1000 | |||
| L-ручное управление | 7-межфлан- цевый | Q - сталь | В2-Алюминий/ бронза | 1-Натуральный каучук | |||||
| P- Неражвеющая сталь 304 | В3-Нержавеющая сталь 304 | 2-уплотнение из гипалона | |||||||
| R-Нержавеющая сталь 316 | В4-Титан | 3-EPDM | |||||||
| С-Углеродистая сталь | В5-Нержавеющая сталь | 5-Неопрен | |||||||
| Т-Алюминий/ бронза | В6-Углеродистая сталь | 6-NBR | |||||||
| 7- износостойкая резина | |||||||||
| 8-Витон | |||||||||
| 9-Термостойкий EPDM | |||||||||
| F4-фторопласт |
Таблица применяемости дисковых затворов при различных температурах:
| Корпус клапана | Диск | Поворотный шток | Втулка | Материал уплотнения | ||||
| Материал | Код | Материал | Код | Материал | Материал | Материал | Код | Температура рабочая |
| Чугун | Z | Чугун с покрытием | B1 | Натуральная резина | 1 | -20~+85°C | ||
| Сталь | Q | Алюминий бронза | B2 | Хайпалон | 2 | -18~+135°C Кратковременно -18~+149°C | ||
| Алюминий бронза | T | Нерж.сталь 304 | B3 | Нерж.сталь | Бронза | EPDM Неопрен | 3 5 | -45~+135C Кратковременно -50~+150°C -7~+93°C Кратковременно -7~107°C |
| Нерж.сталь 304 | p | Titanium steel | B4 | Углеродистая сталь | PTFE | NBR | 6 | -12~+82°C Кратковременно -12~+93°C |
| Нерж.сталь 316 | R | Нерж.сталь 316 | B5 | Абразивно-стойкая резина Viton | 7 8 | -10~+50°C -23~+150°C | ||
| Углеродистая сталь | С | Углеродистая сталь | B6 | Термостойкая EPDM резина PTFE | 9 F4 | -20~+150°C -10~+150°C | ||
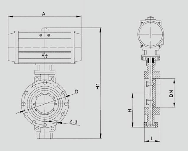
Дисковый поворотный затвор межфланцевый с эластичным уплотнением, пневматическим приводом

| Модель | Усл.проход мм | D | Dl | H | HI | A | C | n-⌀ мм | Актуатор |
| RDVP7PB3-7-50 | 50 | 52.9 | 120 | 274 | 80 | 173 | 42 | 4-23 | RAT063DA |
| RDVP7PB3-7-65 | 65 | 64.5 | 136.2 | 300 | 89 | 190 | 44.7 | 4-26.5 | RAT075DA |
| RDVP7PB3-7-80 | 80 | 78.8 | 160 | 315 | 95 | 196.5 | 45.2 | 8-18 | RAT083DA |
| RDVP7PB3-7-100 | 100 | 104 | 185 | 345 | 114 | 241 | 52.1 | 4-24.5 | RAT092DA |
| RDVP7PB3-7-125 | 125 | 123.3 | 215 | 371 | 127 | 263.5 | 54.4 | 4-23 | RAT105DA |
| RDVP7PB3-7-150 | 150 | 155.6 | 238 | 407 | 139 | 319 | 55.8 | 4-25 | RAT125DA |
| RDVP7PB3-7-200 | 200 | 202.5 | 295 | 441 | 175 | 319 | 60.8 | 4-25 4-23 | RAT125DA |
| RDVP7PB3-7-250 | 250 | 250.5 | 357 | 490 | 203 | 390 | 65.6 | 4-29 | RAT140DA |
| RDVP7PB3-7-300 | 300 | 301.6 | 407 | 560 | 242 | 449 | 76.9 | 4-29 | RAT160DA |
| RDVP7PB3-7-350 | 350 | 333.3 | 467 | 591 | 267 | 449 | 76.5 | 4-30 | RAT160DA |
| RDVP7PB3-7-400 | 400 | 389.6 | 515 525 | 656 | 309 | 515 | 86.5 | 4-26 4-30 | RAT190DA |
| RDVP7PB3-7-450 | 450 | 440.51 | 565 585 | 703 | 328 | 560 | 105.6 | 4-26 4-30 | RAT210DA |
| RDVP7PB3-7-500 | 500 | 491.5 | 620 650 | 786 | 361 | 654 | 131.8 | 4-26 4-33 | RAT240DA |
| RDVP7PB3-7-600 | 600 | 592.5 | 725 770 | 908 | 459 | 725 | 152 | 20-30 20-33 | RAT270DA |
| RDVP7PB3-7-700 | 700 | 695 | 840 | 970 | 520 | 725 | 163 | 24-30 20-36 | RAT270DA |
| RDVP7PB3-7-800 | 800 | 794.7 | 950 | 1046 | 591 | 742 | 188 | 24-33 24-39 | RAT300DA |
| RDVP7PB3-7-900 | 900 | 864.7 | 1050 | 1148 | 656 | 860 | 203 | 24-33 | RAT350DA |
| RDVP7PB3-7-1000 | 1000 | 965 | 1160 | 1310 | 721 | 918 | 213 | 24-36 | RAT400DA |
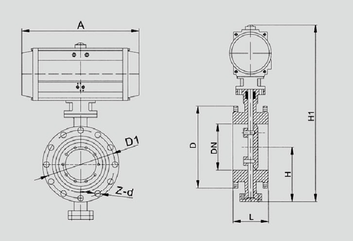
Дисковый поворотный затвор межфланцевый с уплотнением металл по металлу, пневматическим приводом

| Модель | Диаметр | L коротк. | L удлин. | D | Dl | H | HI | H2 | A | Z-⌀ | Актуатор |
| RDVP7RB5-H-50 | 50 | 108 | 150 | 165 | 125 | 112 | 134 | 196.5 | 4-18 | RAT083DA | |
| RDVP7RB5-H-65 | 65 | 112 | 170 | 185 | 145 | 115 | 145 | 241 | 4-18 | RAT092DA | |
| RDVP7RB5-H-80 | 80 | 114 | 180 | 200 | 160 | 120 | 158 | 263.5 | 8-18 | RAT105DA | |
| RDVP7RB5-H-100 | 100 | 127 | 190 | 220 | 180 | 138 | 548 | 181 | 319 | 8-18 | RAT125DA |
| RDVP7RB5-H-125 | 125 | 140 | 200 | 250 | 210 | 164 | 605 | 198 | 390 | 8-18 | RAT140DA |
| RDVP7RB5-H-150 | 150 | 140 | 210 | 285 | 240 | 175 | 653 | 223 | 449 | 8-22 | RAT160DA |
| RDVP7RB5-H-200 | 200 | 152 | 230 | 340 | 295 | 200 | 772 | 223 | 449 | 8-22 | RAT160DA |
| RDVP7RB5-H-250 | 250 | 165 | 250 | 395 | 350 | 243 | 866 | 256 | 515 | 12-22 | RAT190DA |
| RDVP7RB5-H-300 | 300 | 178 | 270 | 445 | 400 | 250 | 964 | 281 | 560 | 12-22 | RAT210DA |
| RDVP7RB5-H-350 | 350 | 190 | 290 | 505 | 460 | 280 | 1068 | 281 | 560 | 16-22 | RAT210DA |
| RDVP7RB5-H-400 | 400 | 216 | 310 | 565 | 515 | 305 | 1108 | 281 | 560 | 16-26 | RAT210DA |
| RDVP7RB5-H-450 | 450 | 222 | 330 | 615 | 565 | 350 | 1177 | 306 | 654 | 20-26 | RAT240DA |
| RDVP7RB5-H-500 | 500 | 291 | 350 | 670 | 620 | 380 | 1289 | 346 | 725 | 20-26 | RAT270DA |
| RDVP7RB5-H-600 | 600 | 267 | 390 | 780 | 725 | 445 | 1439 | 374 | 745 | 20-30 | RAT300DA |
| RDVP7RB5-H-700 | 700 | 292 | 430 | 892 | 840 | 480 | 1494 | 374 | 745 | 24-30 | RAT300DA |
| RDVP7RB5-H-800 | 800 | 318 | 470 | 1015 | 950 | 530 | 1718 | 428 | 860 | 24-33 | RAT350DA |
| RDVP7RB5-H-900 | 900 | 330 | 510 | 1115 | 1050 | 580 | 1818 | 428 | 860 | 28-33 | RAT350DA |
| RDVP7RB5-H-1000 | 1000 | 410 | 550 | 1230 | 1160 | 650 | 2041 | 506 | 918 | 28-36 | RAT400DA |
| RDVP7RB5-H-1200 | 1200 | 470 | 630 | 1455 | 1380 | 760 | 1176 | 506 | 918 | 32-39 | RAT400DA |
Дисковый поворотный затвор фланцевый с уплотнением металл по металлу, пневматическим приводом (актуатором)

| Модель | Диаметр | L | D | H | HI | A | Z-⌀ | Актуатор |
| RDVP4RB5-H-50 | 50 | 43 | 125 | 112 | 196.5 | 4-18 | RAT083DA | |
| RDVP4RB5-H-65 | 65 | 46 | 145 | 115 | 241 | 4-18 | RAT092DA | |
| RDVP4RB5-H-80 | 80 | 64 | 160 | 120 | 263.5 | 8-18 | RAT105DA | |
| RDVP4RB5-H-100 | 100 | 64 | 180 | 138 | 548 | 319 | 8-18 | RAT125DA |
| RDVP4RB5-H-125 | 125 | 70 | 210 | 164 | 605 | 390 | 8-18 | RAT140DA |
| RDVP4RB5-H-150 | 150 | 76 | 240 | 175 | 653 | 449 | 8-22 | RAT160DA |
| RDVP4RB5-H-200 | 200 | 89 | 295 | 215 | 772 | 449 | 8-22 | RAT160DA |
| RDVP4RB5-H-250 | 250 | 114 | 350 | 243 | 866 | 515 | 12-22 | RAT190DA |
| RDVP4RB5-H-300 | 300 | 114 | 400 | 285 | 964 | 560 | 12-22 | RAT210DA |
| RDVP4RB5-H-350 | 350 | 127 | 460 | 320 | 1068 | 560 | 16-22 | RAT210DA |
| RDVP4RB5-H-400 | 400 | 140 | 515 | 350 | 1108 | 560 | 16-26 | RAT210DA |
| RDVP4RB5-H-450 | 450 | 152 | 565 | 350 | 1176 | 654 | 20-26 | RAT240DA |
| RDVP4RB5-H-500 | 500 | 152 | 620 | 380 | 1289 | 725 | 20-26 | RAT270DA |
| RDVP4RB5-H-600 | 600 | 154 | 725 | 435 | 1439 | 745 | 20-30 | RAT300DA |
| RDVP4RB5-H-700 | 700 | 165 | 840 | 480 | 1494 | 745 | 24-30 | RAT300DA |
| RDVP4RB5-H-800 | 800 | 190 | 950 | 530 | 1718 | 860 | 24-33 | RAT350DA |
| RDVP4RB5-H-900 | 900 | 203 | 1050 | 595 | 1818 | 860 | 28-33 | RAT350DA |
| RDVP4RB5-H-1000 | 1000 | 216 | 1160 | 650 | 2041 | 918 | 28-36 | RAT400DA |
| RDVP4RB5-H-1200 | 1200 | 254 | 1380 | 775 | 2276 | 918 | 32-39 | RAT400DA |
Эксцентриковый дисковый поворотный затвор (пневматический актуатор) с уплотнением металл по металлу, пневматическим приводом

Технические характеристики:
| Условный проход | DN (mm) | 50 - 200 | 50 - 500 | |||
| Номинальное давление | PN ( MPa) | 0.6 | 1.0 | 1.6 | 2.5 | 4.0 |
| Shell test | 0.9 | 1.5 | 2.4 | 3.75 | 6.0 | |
| PS (MPa) Тестовое давление | Sealtese | 0.66 | 1.1 | 1.76 | 2.75 | 4.4 |
| Gas seal test | 0.6 | 0.6 | 0.6 | 0.6 | 0.6 | |
| Утечки | <0.1xDNmm3/s (accordance GB/T13927-92 standard ) | |||||
| Рпабочая темпераура | Углеродистая сталь: -29°C ~425°C /Нержавеющая стальl: -40°C ~600°C | |||||
| Рабочая среда | Воздух, вода, sпар, газ, масло, кислота, щелочь, соленая and weak corrosion medium etc. | |||||
| Привод | Ручной / пневматический / электрический | |||||
производитель
RFS
Если вы хотите купить затвор повортный дисковый DV , вы можете:
Позвонить:

