Пневмораспределитель трехлинейный сдвоенный 3МП-16, 3МП-25, 3МП-40 1/2"-1"-1 1/2"
1/2"-1"-1 1/2"
По сравнению с пневмораспределителями У71 производства "Пневмоаппарат" г.Моосква имеют меньший расход воздуха и меньшую стоимость.Не рекомендуем устанавливать на пресса 100 тонн, требующие больших расходов воздуха.
Технические характеристики:
3МП-16; 3МП-25; 3МП-40
Условный проход, мм 16; 25; 40
Присоединительная резьба
Вход К1/2"; K1"; K1 ½"
Выход K3/4"; K1 ¼"; K2"
Номинальное давление, МПа 1,0
Минимальное давление, Мпа 0,25
Пропускная способность Кv, м3/ч,
не менее 12,5; 18; 30
Время включения при далении 0,63 МПа, с 0,06
Макс. Число срабатываний при
давлении 0,63 МПа, мин 100, 90, 70
Потребляемая мощность, Ит, не более 20
Средняя наработка до отказа, циклов не менее 1 млн.
Масса, кг, не более 7,0; 6,9; 12,5
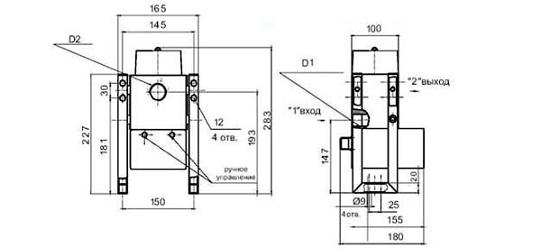
Отверстия для присоединения внешних пневмолиний распределителей маркируются следующими цифрами:
1 для подвода воздуха;
2 для выхода к потребителю;
Отверстия «атмосфера» не маркируются.
| с | ЗМП16 | ЗМП25 |
| D1 | К ½" | К 1" |
| D2 | К ¾" | К 1¼ " |



производитель
Пневматика
Если вы хотите купить пневмораспределитель трехлинейный сдвоенный 3МП-16, 3МП-25, 3МП-40 , вы можете:
Позвонить:

