Вакуумный эжектор FT
Вакуумные эжекторы это устройства для создания вакуума с помощью сжатого воздуха. Работа вакуумного эжектора основана на принципе Вентури - падении давления, когда поток жидкости или газа протекает через суженную часть трубы. Эжекторы широко применяются в: Упаковочной промышленности; Промышленных роботах; Пищевой промышленности. Деревообработке; Надежные эжекторы серии FT производятся в двух исполнениях:
основной - генератор вакуума без индекса
и с индексом CK, который включает механический вакуумный выключатель контроля и регулятор.
Особенности:
Корпус выполнен из анодированного алюминия; жиклеры из меди.
Отсутствие подвижных частей
Простое обслуживание
Компактный, экономичный и надежный.
Для управления дополнительно требуется пневмораспределитель.
Технические характеристики:
Максимальная глубина вакуума: -91,8 кПа
Рабочая среда: чистые и некоррозийные Газы, без смазки
Рабочее давление: 5 бар (диапазон 1-6 бар)
Рабочая температура: 0° ... 60° С
Материал: Алюминиевый корпус, Медный жиклер, NBR уплотнения
Диапазон регулирования вакуумного выключателя от -20 до -53 кПа
Точность выключателя: ± 5,3 кПа
Гистерезис: 4-13,3 кПа
Контур: Нормально Открытый
| Обозначение | Расход воздуха Нл/мин | Поток вакуума Нл/мин | Уровень вакуума -кПа | Вес г |
| FT-050 FT-050-CK | 13 | 6 | 88 | 119 |
| FT-100 FT-100-CK | 44 | 27 | 91.5 | 119 |
| FT-150 FT-150-CK | 100 | 63 | 91.5 | 190 |
| FT-200 FT-200-CK | 180 | 110 | 91.5 | 456 |

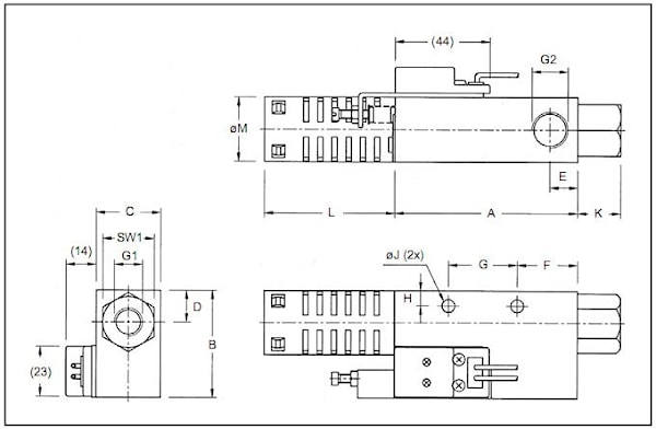
| Наименование | A (mm) | B (mm) | C (mm) | D (mm) | E (mm) | F (mm) | G (mm) | H (mm) | J (mm) | K (mm) | L (mm) | M (mm) | G1 | G2 |
| FT-050 FT-050-CK | (45) | (33) | (16) | (10) | (8) | (14) | (20) | (4.5) | (4.2) | (10) | (36) | (18.5) | G-1/8 | G-1/8 |
| FT-100 FT-100-CK | (45) | (33) | (16) | (10) | (8) | (14) | (20) | (4.5) | (4.2) | (10) | (36) | (18.5) | G-1/8 | G-1/8 |
| FT-150 FT-150-CK | (63) | (35) | (20) | (11) | (10) | (20) | (25) | (5) | (4.5) | (15) | (45.5) | (20) | G-1/4 | G-1/4 |
| FT-200 FT-200-CK | (85) | (40) | (30) | (15) | (13) | (32) | (32) | (7) | (6) | (20) | (60.5) | (30) | G-1/4 | G-3/8 |
производитель
Risen Gold
Если вы хотите купить вакуумный эжектор FT , вы можете:
Позвонить:

