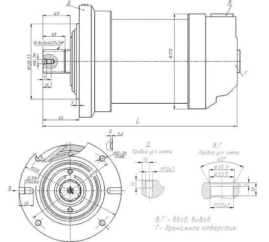
Гидромотор планетарно-роторный с встроенным редуктором ГПРФ-M-160…400- 03

GPR-F-M-160…400- 03
Технические характеристики
ОРозначение | V,cm3 | L, mm | Qhom, dm3/min-1 | Pnom, MPa | Pmax, MPa | Mnom, Hm | Mm ax, Hm | nnom, мин-1 | Масса, кг |
GPRF-M-160-03 | 160 | 328_03 | 96 | 16 | 20 | 1600 | 2020 | 130 | 33 |
QPRF-M-200-03 | 200 | 352-0,3 | 16 | 20 | 1970 | 2530 | 105 | 33,8 | |
QPRF-M-230-03 | 250 | 357_0,3 | 16 | 18 | 2280 | 2800 | 82 | 34,2 | |
QPRF-M-320-03 | 320 | 364_0,5 | - | 12,5 | - | 2800 | 65 | 35 | |
GPRF-M-100-03 | 400 | 374_0,5 | - | 12 | - | 2800 | 52 | 36 |
производитель
HIDROINPEX
Если вы хотите купить гидромотор планетарно-роторный с встроенным редуктором ГПРФ-M-160…400- 03 , вы можете:
Позвонить: