Фильтр масляного тумана FX5002 1675 м3/ч, 1.5кВт, 50Гц
Фильтр масляного тумана FX5002 — это промышленное решение для эффективного улавливания аэрозолей масла и мелкодисперсных частиц, образующихся в процессе металлообработки, шлифования, токарных и фрезерных операций, а также при работе с СОЖ.
Материалы и опции
Корпус — сталь с порошковой покраской или нержавейка для агрессивных сред. Двигатели энергоэффективные (0,18–0,55 кВт). Возможны HEPA-фильтры для дыма.
Дополнительные преимущества
Масло возвращается в станок или сборник автоматически.
Уровень шума низкий, монтаж простой (прямой или через трубу).
С 1969 года на рынке, соответствуют строгим нормам безопасности
Доступны фильтры масляного тумана FX с различными вариантами крепления, включая напольные подставки и станочные крепления.

СЕРИЯ FX
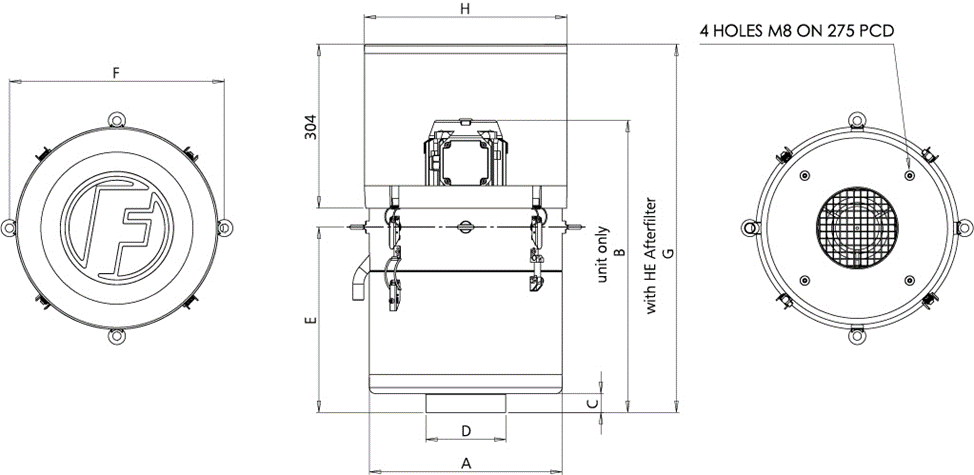
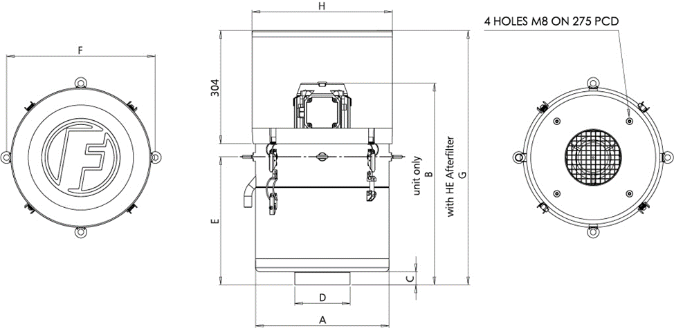
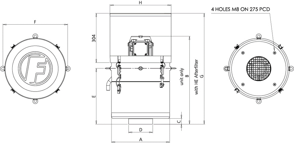
| Модель | Поток воздуха м3/ч | Двигатель | A мм | B мм | C мм | D мм | E мм | F мм | G мм | H мм | Вес, кг | Шум, дБ |
| FX4002 | 1250 | 1.1 кВт 50 Гц | 357 | 532 | 35 | 148 | 309 | 398 | 682.50 | 375 | 23 | 70 |
| FX5002 | 1675 | 1.5кВт 50Гц | 357 | 613 | 35 | 198 | 378 | 398 | 751.50 | 375 | 27.5 | 71 |
| FX6002 | 2000 | 2.2кВт 50Гц | 438 | 642 | 35 | 198 | 432 | 485 | 805.50 | 456 | 37 | 73 |
| FX7002 | 2750 | 2.2 кВт 50Гц | 438 | 642 | 35 | 198 | 432 | 485 | 805.50 | 456 | 37 | 73 |

Дополнительные постфильтры для Filtermist: защита от субмикронных частиц
Для удаления масляного дыма и мельчайших частиц рекомендуем устанавливать высокоэффективный постфильтр на выходе блока Filtermist.

Назначение и монтаж
Постфильтр улавливает субмикронные частицы, прошедшие через центробежный элемент. Легко крепится зажимами к выхлопу, создавая надежный физический барьер для воздуха.
Конструкция
Фильтрующий картридж из складчатого материала с алюминиевой сеткой, литой крышкой и пенопластовым уплотнением. Легкий, прочный, с оптимальным воздушным потоком.
Типы и эффективность
Доступны два варианта. Премиум-модель фильтрует до 99,95% частиц размером 1 мкм — идеально для smoky-применений в сочетании с Filtermist.
Срок службы
Зависит от нагрузки: обязателен при дыме или мелкодисперсном масле. Регулярная замена обеспечивает максимальную чистоту воздуха.
Гарантия: 5 лет.

