Индикатор засоренности DE500 5 bar, G1/2
5 bar, G1/2
Основная задача индикатора DE500 — своевременно предупредить о необходимости обслуживания фильтра, чтобы предотвратить попадание загрязнений в систему и избежать серьезных поломок оборудования. Он используется в гидравлических системах машин и промышленного оборудования.
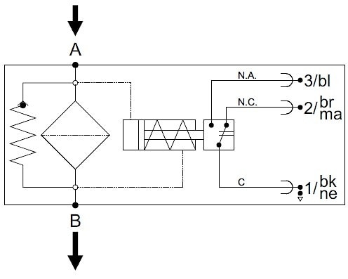
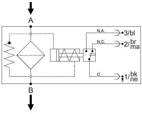
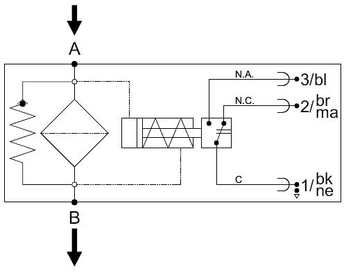
Индикатор реагирует на разницу давлений до и после фильтрующего элемента.
Подходит к напорным фильтрам серии FMM.
Принцип работы и характеристики:
- Сигнализация: Когда перепад давления достигает определенного порогового значения (обычно 5 бар), это означает, что фильтрующий элемент засорен и требует замены.
- Тип сигнала: Индикатор обеспечивает как визуальную (оптическую), так и электрическую (замыкание/размыкание контакта) сигнализацию. Электрический сигнал может передаваться на панель управления или другую систему контроля.
- Установка: Устройство устанавливается непосредственно на крышку напорного фильтра с помощью резьбы G1/2″ BSP.


Если вы хотите купить индикатор засоренности DE500 , вы можете:
Позвонить:

