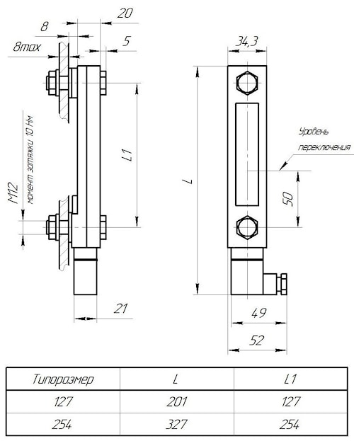
Указатель уровня с реле тип GYW
Указатели GYW идеально подходят для контроля уровня жидкостей в гидравлических резервуарах, системах смазки и других промышленных установках, где требуется высокоточный мониторинг.
Основные характеристики указателей GYW:
- Электрический сигнал: Обеспечивает мгновенное уведомление о достижении критического уровня жидкости, позволяя оперативно реагировать на изменения в системе.
- Надежность: Указатели GYW разработаны для работы в сложных условиях, устойчивы к воздействию температуры и давления, что делает их незаменимыми в промышленных и мобильных приложениях.
- Простота установки: Легко интегрируются в различные системы, сокращая время на монтаж и обслуживание.

Если вы хотите купить указатель уровня с реле тип GYW , вы можете:
Позвонить:

