Тормозной клапан двусторонний OVC-DE-F-C3 35 л/мин 350 бар Ду6 алюминиевый корпус
35 л/мин 350 бар Ду6
алюминиевый корпус

Технические данные:
Макс. расход | 35 l/min |
Макс. давление | 350 bar |
Отношение площадей управления | 4,25:1 |
Отношение площадей управления под заказ | 3:1 8:1 10:1 |
рекомендуемая вязкость | 10-420 cSt |
Рабочая температура | -20 + +90 °C |
Фильтрация | 25 мкм |
Настройка | Клапан должен быть установлен как минимум в 1,3 раза больше максимальной нагрузки | ||
Код | Стандартно (Q=5 L/min) | Диапазон настройки | Цвет пружины |
01 | 100 bar | 20-200 bar | Белый |
02 | 280 bar | 50-350 bar | Черный |
Гидравлическая схема:

Типы рукояток регулировки:

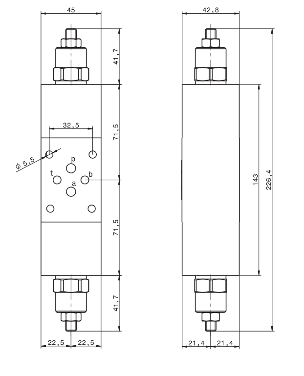
Размеры:

код для заказа:

Если вы хотите купить тормозной клапан двусторонний OVC-DE-F-C3 , вы можете:
Позвонить: