Фланец всасывающего трубопровода
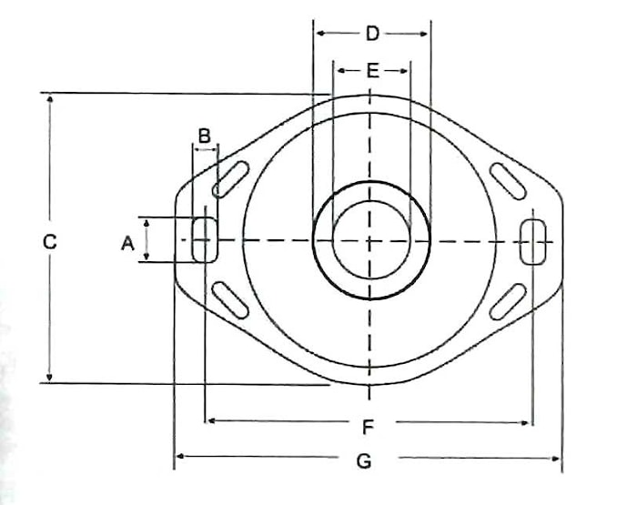
Фланец всасывающего трубопровода предназначен для ввода всасывающей магистрали насоса через верхнюю крышку гидробака. Размеры:
| Модель | A mm | В mm | C mm | D mm | E mm | F mm | G mm | Масса, кг |
| TS-04 | 14 | 8 M6xP1.0 | 89,5 | 36 | 19 | 102 | 121 | 0,75 |
| TS-06 | 24,5 | 0,75 | ||||||
| TS-08 | 31,5 | 0,73 |
Если вы хотите купить фланец всасывающего трубопровода , вы можете:
Позвонить:

