Героторные гидромоторы для колесного монтажа MSW и MSB    80-565 см3
 80-565 см3
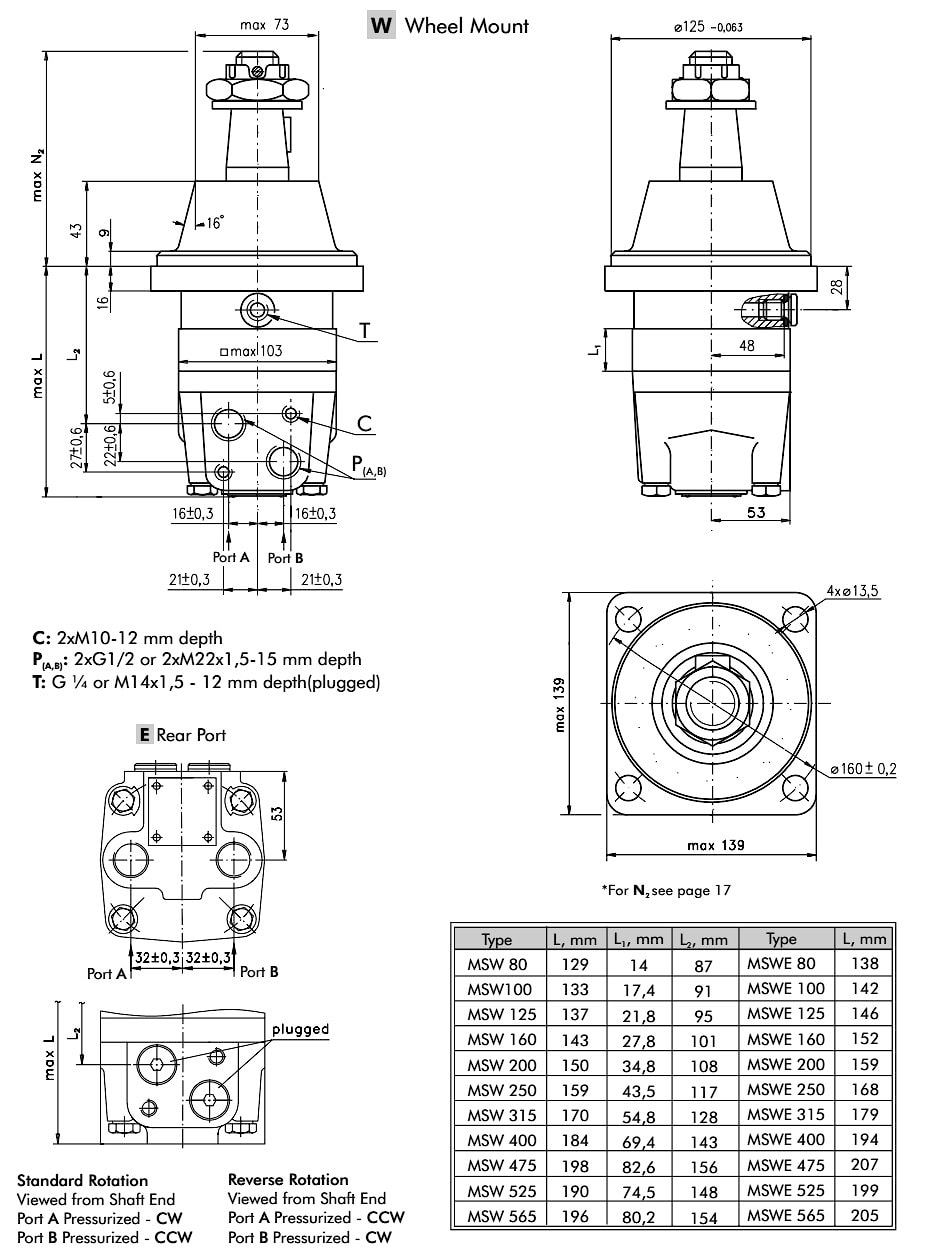
 Героторные моторы с клапанным распределителем серий MSW и MSB (с барабанным тормозом) являются моторами серии MS адаптированными для монтажа колес небольших транспортных средств, строительных и сельскохозяйственных машин.
   Героторные моторы с клапанным распределителем серий MSW и MSB (с барабанным тормозом) являются моторами серии MS адаптированными для монтажа колес небольших транспортных средств, строительных и сельскохозяйственных машин.Данный тип гидромоторов допускает значительную радиальную и осевую нагрузку на вал.
Гидромоторы серии MSB с барабанным тормозом могут быть правого или левого исполнения.
 
  
 
производитель
M+S
Если вы хотите купить героторные гидромоторы для колесного монтажа MSW и MSB   , вы можете:
 Позвонить: 

