Ручной насос двойного действия PRBС 20 PRBС 40 250 бар - 20, 40 см3 для цилиндров одностороннего действия монтаж в линию
250 бар - 20, 40 см3
для цилиндров одностороннего действия
монтаж в линию
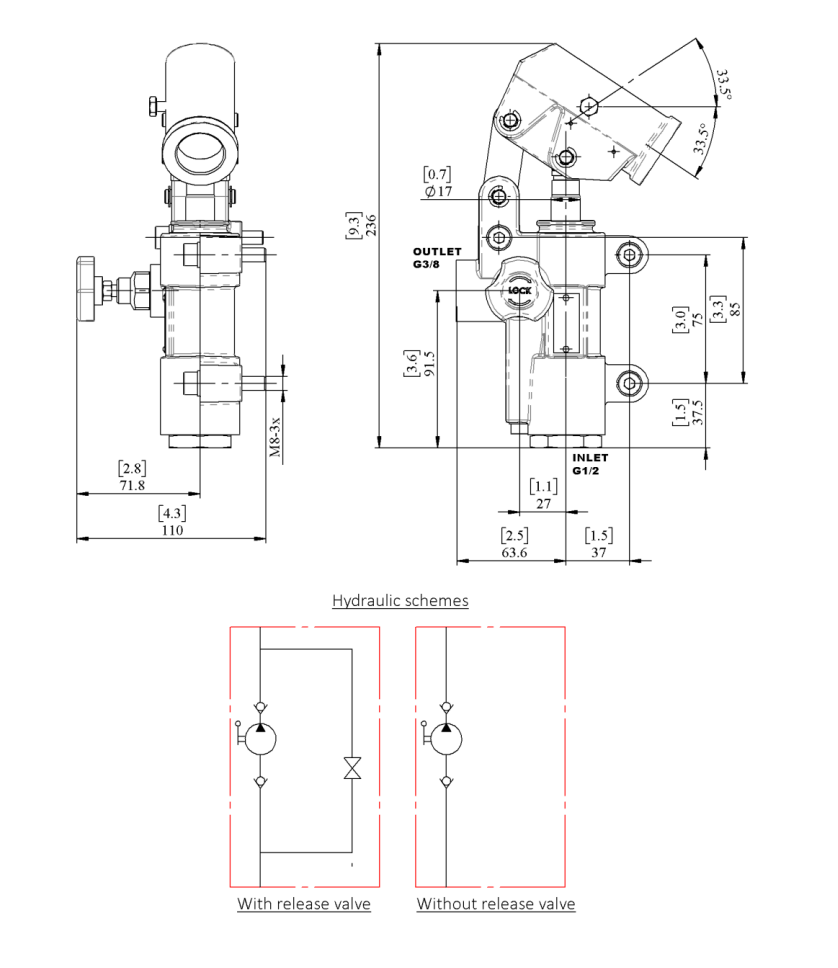
Ручной насос двойного действия для PRBС недорогой поршневой насос болгарского производства для установки отдельно от бака (в линию). Насетнный монтаж.
Насос двойного действия, нагнетание и всасывание происходят одновременно.
Объем насоса 20 см3 (320 бар) масса 2,9 кг.,
Рукоятка 540 мм и всасывающая трубка входят в комплект поставки.
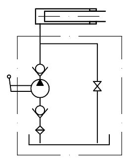
Схема гидравлическая:

Размеры PRBC 20

Размеры PRBC 40
производитель
Badestnost
Если вы хотите купить ручной насос двойного действия PRBС 20 PRBС 40 , вы можете:
Позвонить:
Ещё из раздела ручные гидравлические насосы
Двухступенчатый ручной насос PME580 (PM2V 5-80)
500 бар, 80 см3
односторонние цилиндры
монтаж на бак
Насос двухступенчатый для работы с гидроцилиндрами одностороннего действия. Двухступенчатые гидронасосы состоят из двух секций разного объема. Секция с большим объемом создает высокую подачу и небольшое давление, что позволяет быстро выбрать ...

