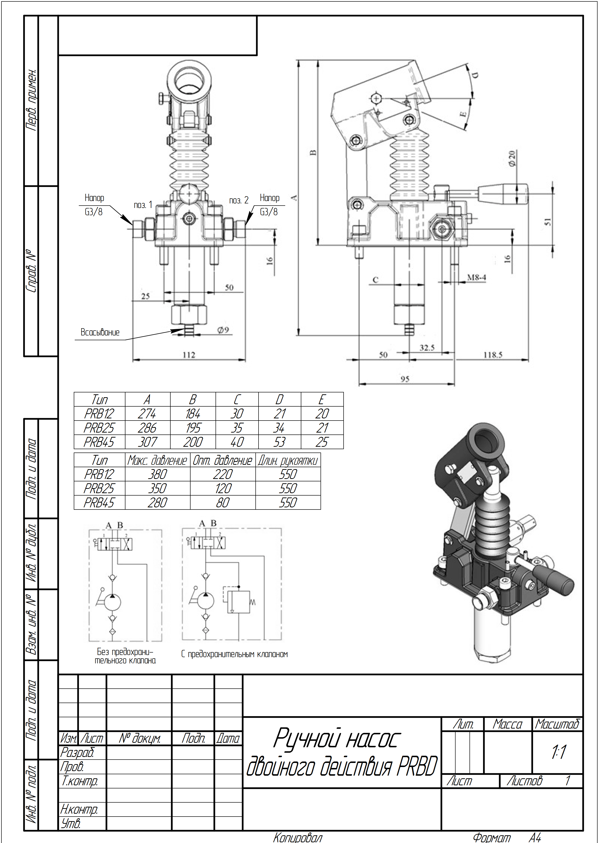
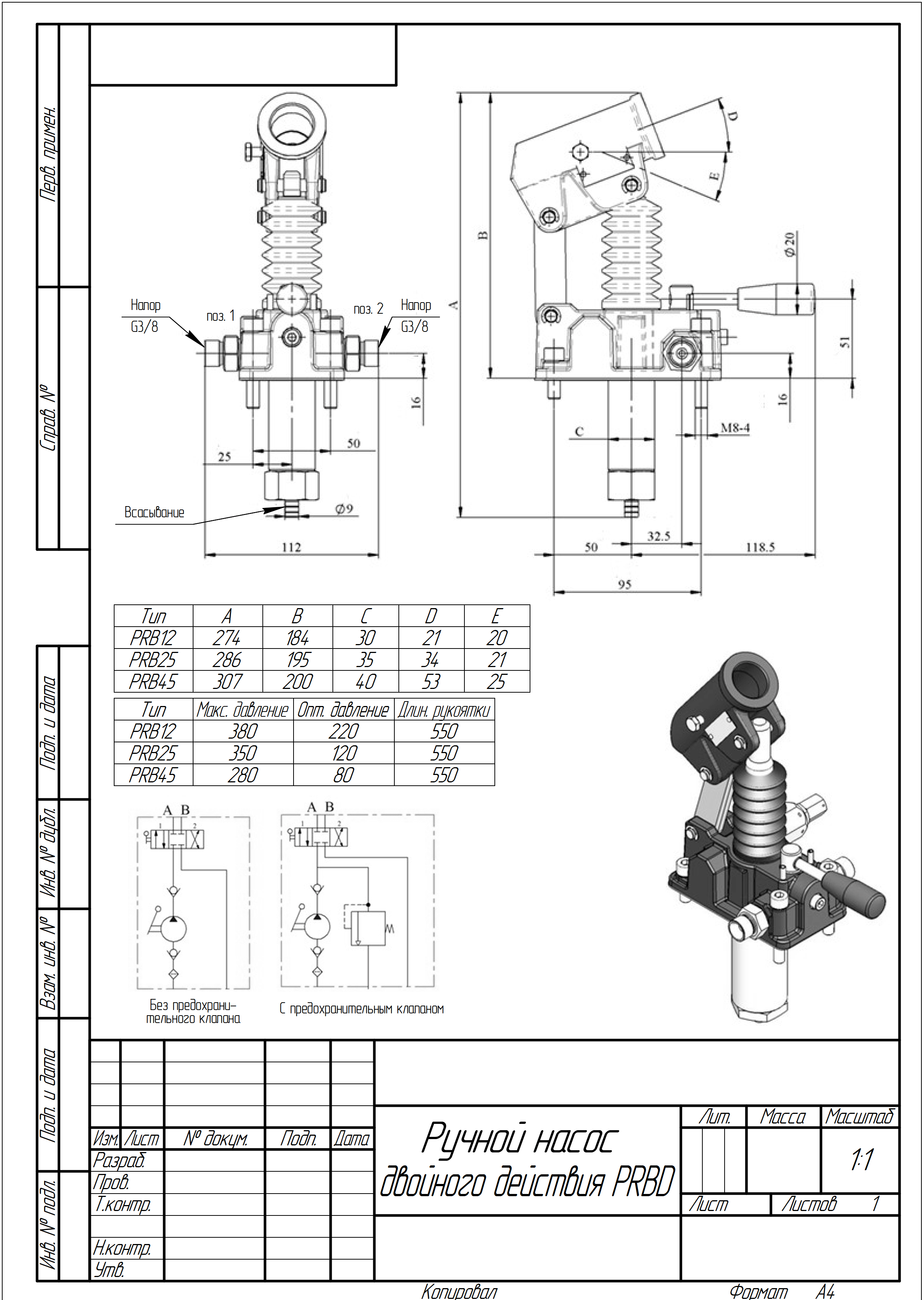
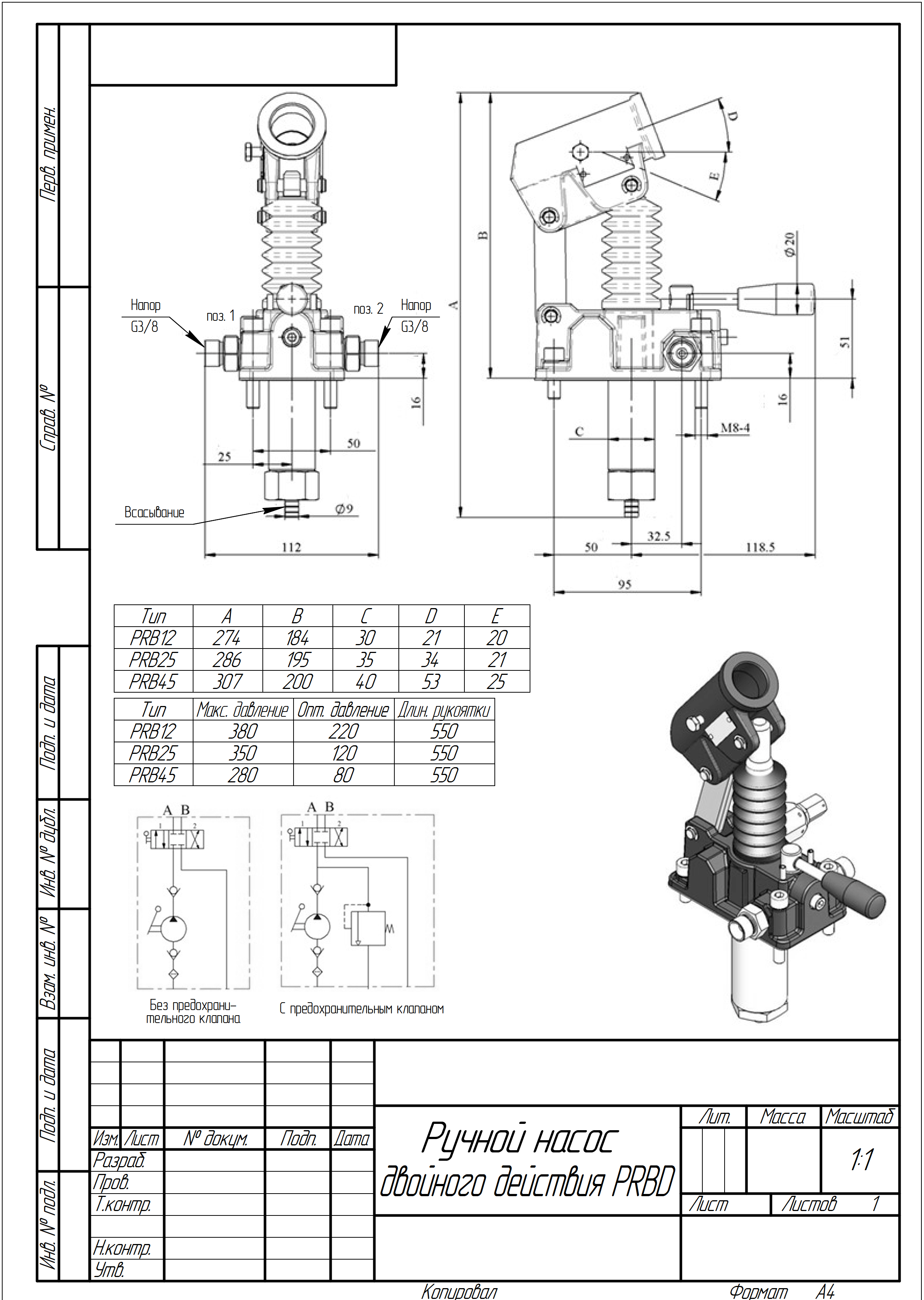
Ручной насос двойного действия PRBD 12, 25, 45 см3 для цилиндров двустороннего действия монтаж на бак
12, 25, 45 см3
для цилиндров двустороннего действия
монтаж на бак
Ручной насос двойного действия для PRBD недорогой поршневой насос болгарского производства для установки на стандартный бак. Встроенный гидрораспределитель для управления гидравлическими цилиндрами двустороннего действия. Взаимозаменяем с насосами итальянского производства.
Насос двойного действия, нагнетание и всасывание происходят одновременно.
Выпускается двух объемов: PRB12 – 12 см3 масса 4 кг.,
PRB25 – 25 см3 масса 4,2 кг., PRB45 – 45 см3 масса 4,3 кг.
Могут комплектоваться предохранительным клапаном, тогда к обозначению надо добавить букву "R". Гофрированная защита - "M"
Рукоятка 550 мм и всасывающая трубка входят в комплект поставки.

производитель
Badestnost
Если вы хотите купить ручной насос двойного действия PRBD , вы можете:
Позвонить:
Ещё из раздела ручные гидравлические насосы
Двухступенчатый ручной насос PME580 (PM2V 5-80)
500 бар, 80 см3
односторонние цилиндры
монтаж на бак
Насос двухступенчатый для работы с гидроцилиндрами одностороннего действия. Двухступенчатые гидронасосы состоят из двух секций разного объема. Секция с большим объемом создает высокую подачу и небольшое давление, что позволяет быстро выбрать ...

